EasyManua.ls Logo

Sym Track Runner 200 - Electrical Diagram; Track Runner 180 Wiring Diagram

Sym Track Runner 200
221 pages
Print Icon
To Next Page IconTo Next Page
To Next Page IconTo Next Page
To Previous Page IconTo Previous Page
To Previous Page IconTo Previous Page
Loading...
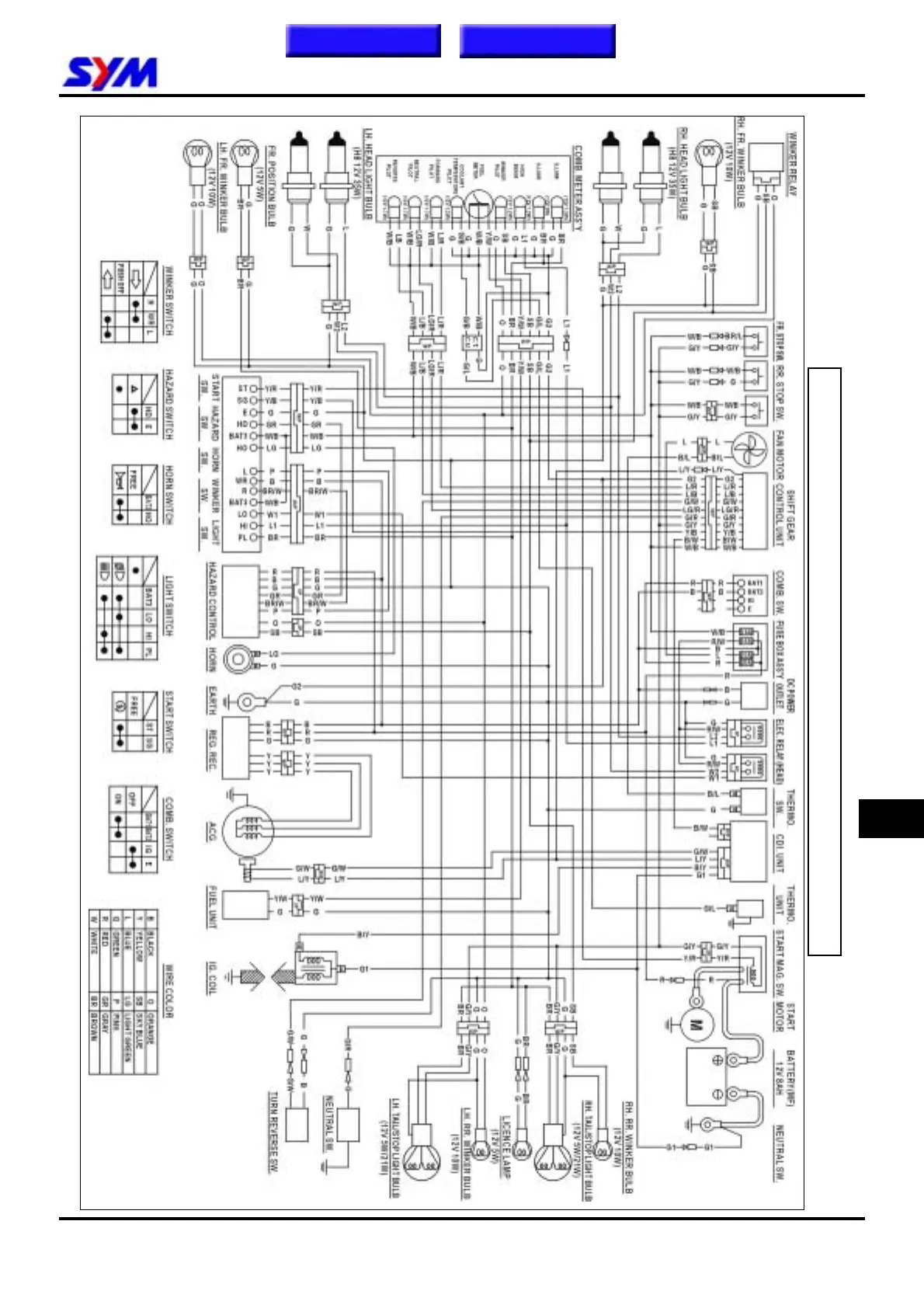
18. ELECTRICAL DIAGRAM
18-1
18
Home page
Contents
TRACK RUNNER 180 ELECTRICAL DIAGRAM

Table of Contents

Related product manuals