EasyManua.ls Logo

Teknic CLEARPATH-EC - Input Wiring Examples

Teknic CLEARPATH-EC
90 pages
Print Icon
To Next Page IconTo Next Page
To Next Page IconTo Next Page
To Previous Page IconTo Previous Page
To Previous Page IconTo Previous Page
Loading...
C
LEAR
P
ATH
-EC
U
SER
M
ANUAL REV
1.11
30
I
NPUT
W
IRING
E
XAMPLES
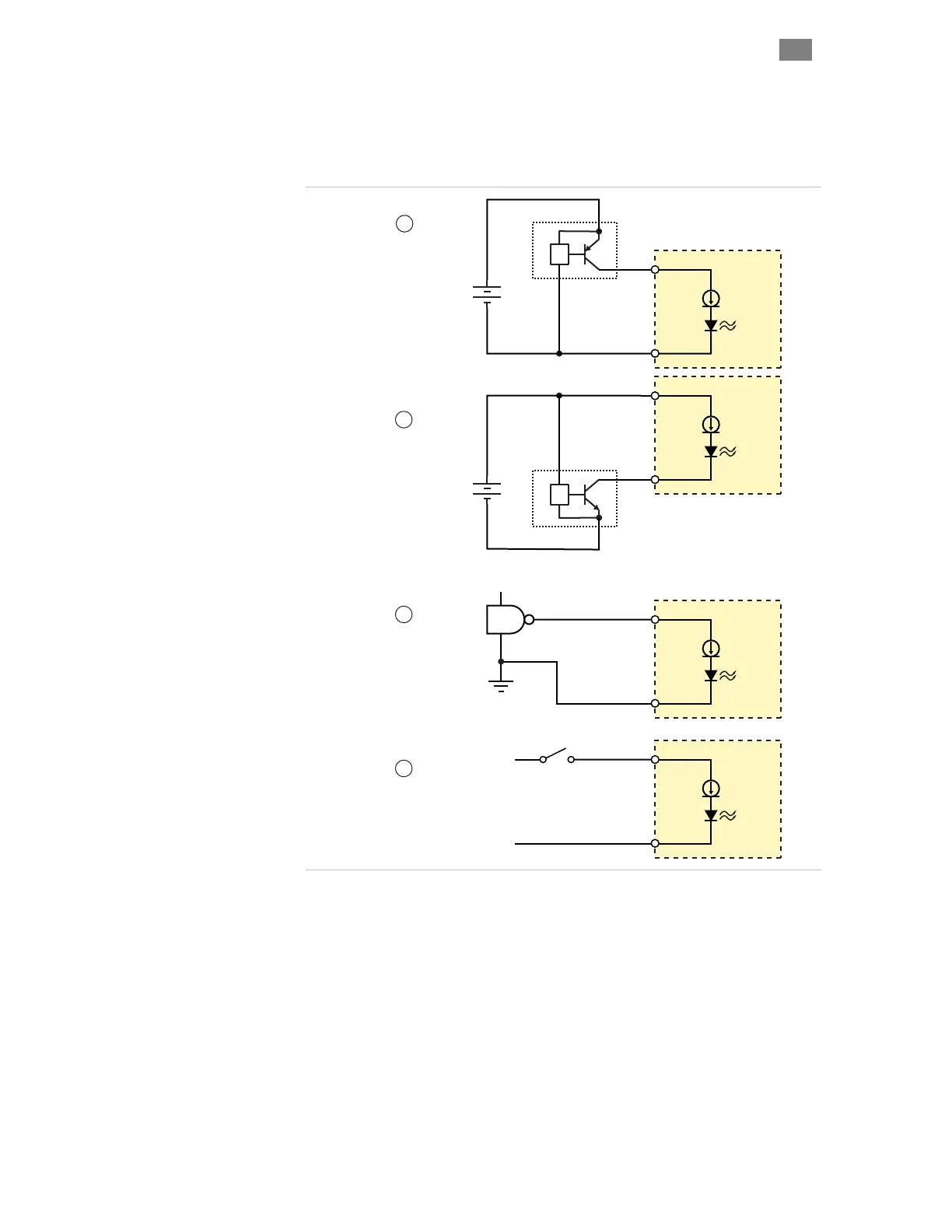
Input A, and Input B, are designed for use with 5-24VDC logic levels and
pulses from a wide variety of signal sources and devices including PLCs,
microcontrollers, and mechanical switches.
+5V
+24V
+24V
Return
A1 (B1)
A2 (B2)
A1 (B1)
A2 (B2)
A1 (B1)
A2 (B2)
A1 (B1)
A2 (B2)
CMOS
5-24VDC
5-24VDC
Sourcing (PNP) Sensor
Sourcing Logic Drive
Sinking (NPN) Sensor
Mechanical Switch
or
Relay Contacts
ClearPath-EC Inputs
(ClearPath internal)
A
B
C
D
ClearPath-EC Inputs
(ClearPath internal)
+
-
+
-
ClearPath Input Wiring
ClearPath inputs are compatible with many standard devices including:
A) open-collector sourcing transistor B) open-collector sinking transistor,
C) 5V CMOS logic, D) Mechanical switches or relay contacts.
The examples shown above are not exhaustive. The inputs can be
controlled from any sinking or sourcing device or totem-pole driven
outputs in the 4V to 24V range including outputs from PLCs, sensors,
signal generators, microcontrollers and more as long as the connected
device can supply the minimum current.
T
EKNIC
,
I
NC
. T
EL
.
(585)
784-7454

Table of Contents

Related product manuals