EasyManua.ls Logo

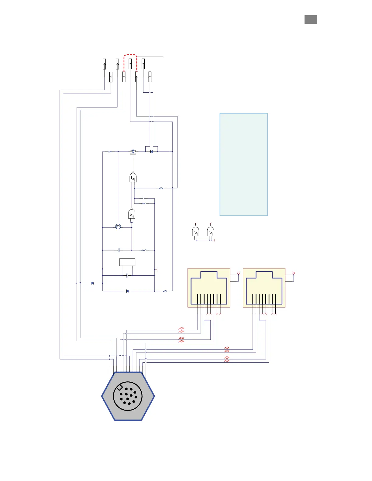
Teknic CLEARPATH-EC - Appendix G: M12 Adapter Schematic

Teknic CLEARPATH-EC
90 pages
Print Icon
To Next Page IconTo Next Page
To Next Page IconTo Next Page
To Previous Page IconTo Previous Page
To Previous Page IconTo Previous Page
Loading...
C
LEAR
P
ATH
-EC
U
SER
M
ANUAL REV
1.11
88
A
PPENDIX
G:
M12
A
DAPTER
S
CHEMATIC
GND
7
Vcc
14
74HC132D,653
U1E
12
0.62
R1
1
2
3
74HC132D,653
U1A
4
5
6
U1B
3 2
1
MMBT5401LT1G
Q1
21
0.1uF
C1
12
86.6k
R3
12
20k
R2
31
5.1V
CR1
21
1uF
C2
12
4.02k
R5
1
2
3
4
5
6
9
7
8
10
J1
NetA
1
Molex
39-30-1080
P1A
1
2
3
4
5
6
9
7
8
10
J2
NetB
2
P1B
12
1k
R4
3
P1C
4
P1D
5
P1E
6
P1F
7
P1G
8
P1H
Brake Jumper
see note below
1
2
3
4
1
2
3
4
5
6
7
8
9
10
11
12
5
6
7
8
9
10
1
1
12
Amphenol
M12A-12PMMR-SF8001
P2
NetA_TX+
NetA_TX-
NetA_RX+
NetA_RX-
NetB_TX+
NetB_TX-
NetB_RX+
NetB_RX-
Chassis1
Chassis1
23
1
DMP3099L-7
Q2
21
S1D-13
CR2
IO_A1
IO_A2
IO_A2
IO_A1
VM5REF
24V
21
SL36A TR
CR3
21
0.1uF
C3
IO_B2_and_24V
IO_B1
JUMPER
BRAKE_M
BRAKE_P
IO_B2
IO_B1
24V_RET
Minifit-8
9
10
8
U1C
12
13
11
74HC132D,653
U1D
VM5REF
RJ-45
Only IO_B (set as an output) can be used to control a brake.
For a brake application, install a jumper between pins 2 and 3
of the Minifit-8 connector. This jumper sets up IO_B to
control the brake drive circuit.
Connect the (external) 24V brake power supply to pin 7 (+)
and pin 6 (GND). Connect the brake between pins 1 and 5.
Brake Jumper Note
T
EKNIC
,
I
NC
. T
EL
.
(585)
784-7454

Table of Contents

Related product manuals