EasyManua.ls Logo

Tektronix TDS5000B Series - Figure 6- -22: Power Supply Removal

Tektronix TDS5000B Series
180 pages
Print Icon
To Next Page IconTo Next Page
To Next Page IconTo Next Page
To Previous Page IconTo Previous Page
To Previous Page IconTo Previous Page
Loading...
Removal and Installation Procedures
TDS5000B Series Service Manual
6--41
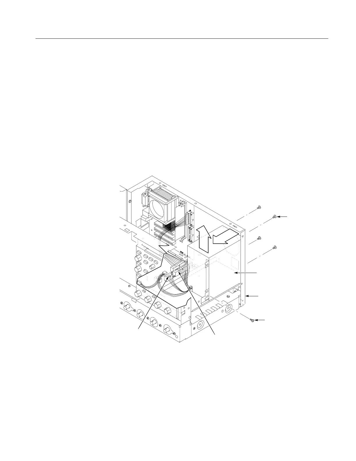
3. Remove the power supply: See Figure 6--22, on page 6--41.
a. Remove the four T-15 Torxdrive screws that secure the power supply to
the back of the chassis.
b. Remove the T-15 Torxdrive screw that secures the power supply to the
right side of the chassis.
c. Move the power supply towards the back of the instrument to access the
cables and unplug the two power supply cables from the PC interface
board.
d. Lift the power supply away from the chassis and guide the cables out.
4. Reinstallation: Do in reverse steps a through d to reinstall the power supply.
Power supply
T-15 Torxdrive
screw (1)
Disconnect from the
PC interface board
Disconnect from the
PC interface board
T-15 Torxdrive
screw (4)
Right side of
the instrument
Figure 6--22: Power supply removal

Table of Contents

Other manuals for Tektronix TDS5000B Series

Related product manuals