EasyManua.ls Logo

Toro Field Pro 6040 - Servicing the Control Valve

Toro Field Pro 6040
222 pages
Print Icon
To Next Page IconTo Next Page
To Next Page IconTo Next Page
To Previous Page IconTo Previous Page
To Previous Page IconTo Previous Page
Loading...
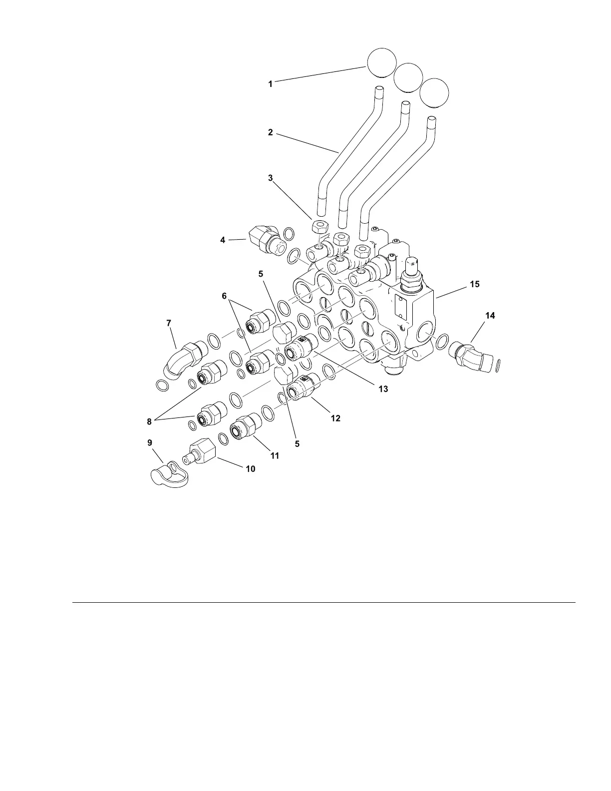
ServicingtheControlValve
g415105
Figure56
1.Knob(3each)6.Straighttting,0.407orice(2each)11.Straighttting
2.Lever(3each)7.Elbowtting12.Checkvalve,0.047orice
3.Hexnut(3each)8.Straighttting,0.047orice
(optional,2each)
13.Checkvalve,0.025orice
4.Elbowtting9.Cap14.Elbowtting
5.Plug(2each)10.Diagnostictting
15.Controlvalve
Individualrepaircomponentswillbemadeavailableseparatelyfromyour
AuthorizedT oroDistributor.
Theportsonthecontrolvalvearemarkedforeasyidenticationofcomponents
andconnections.Example:Pisthepressureconnectionportfromthegear
pump;refertothehydraulicschematicinAppendixA(pageA–1)toidentifythe
functionofthehydrauliclinesateachport.
FieldPro®6040
Page5–77
HydraulicSystem:ServiceandRepairs
22267SLRevA

Table of Contents

Related product manuals