EasyManua.ls Logo

Toro Field Pro 6040 - Servicing the Center Lift Cylinder

Toro Field Pro 6040
222 pages
To Next Page IconTo Next Page
To Next Page IconTo Next Page
To Previous Page IconTo Previous Page
To Previous Page IconTo Previous Page
Loading...
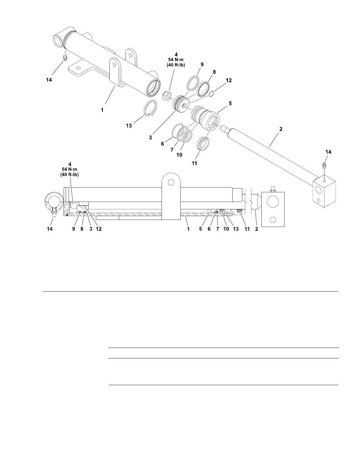
ServicingtheCenterLiftCylinder
g412540
Figure58
1.Barrelassembly
6.O-ring
11.Dustseal
2.Shaftassembly
7.Backupring
12.O-ring
3.Piston8.Pistonseal13.Retainingring
4.Locknut9.Wearring
14.Greasetting(2each)
5.Head
10.Shaftseal
DisassemblingtheCylinder
RefertoFigure58forthisprocedure.
1.Removethehydraulicuidfromthecylinderintoadrainpanbyslowly
pumpingthecylindershaft.Plugbothportsandcleantheoutsideofthe
cylinder.
IMPORTANT
Preventdamagewhenclampingthecylinderinavise;clampon
theclevisonly.
2.Mountthecylindersecurelyinavisebyclampingontheclevisendofthe
barrel.Useofavisewithsoftjawsisrecommended.
3.Loosentheheadfromthebarrel:
A.Useaspannerwrenchtorotateheadclockwiseuntiltheedgeofthe
retainingringappearsinthebarrelopening.
FieldPro®6040
Page5–81
HydraulicSystem:ServiceandRepairs
22267SLRevA

Table of Contents

Related product manuals