EasyManua.ls Logo

Vertiv Liebert APM2 - BCB Reference Current and Connection

Vertiv Liebert APM2
188 pages
Print Icon
To Next Page IconTo Next Page
To Next Page IconTo Next Page
To Previous Page IconTo Previous Page
To Previous Page IconTo Previous Page
Loading...
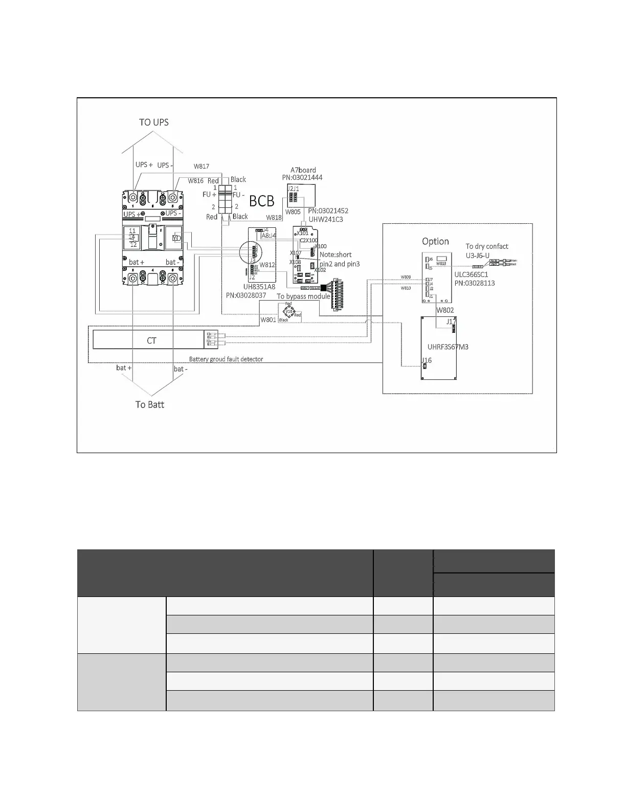
Figure 7.12 Connection of Battery Ground Fault Detector
7.17 BCB Reference Current and Connection
Table 7.5 below provides recommended BCB rated current and battery maximum discharge current at full load. Refer to
Table 3B in IEC60950-1, and select appropriate cable CSA according to local electrical codes and standards.
Items Unit
UPS Rated Power (kVA)
120
30-block battery
Rated battery discharge current at full load A 420
Reference rated current of BCB A 500
CSA of connection cable
mm
2
185
32-block battery
Rated battery discharge current at full load A 394
Reference rated current of BCB A 400
CSA of connection cable
mm
2
185
Table 7.5 BCB Rated Current and Battery Maximum Discharge Current at Full Load (Recommended)
140 Proprietary and Confidential ©2023 Vertiv Group Corp. 7 Battery
Vertiv™ Liebert® APM2 30 to 120 kVA Modular UPS User Manual

Table of Contents

Other manuals for Vertiv Liebert APM2

Related product manuals