EasyManua.ls Logo

WEG CFW700 - Page 146

WEG CFW700
250 pages
Print Icon
To Next Page IconTo Next Page
To Next Page IconTo Next Page
To Previous Page IconTo Previous Page
To Previous Page IconTo Previous Page
Loading...
CFW700 | 141
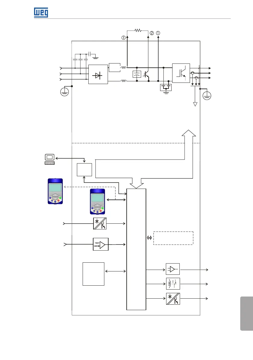
Informações Gerais
Português
Entradas
analógicas
AI1 e AI2
Módulo
memória
FLASH
(Slot 5)
Entradas
digitais
DI1 a DI8
Fontes para eletrônica e interfaces
entre potência e controle
RS-485
PC
POTÊNCIA
CONTROLE
Retificador
trifásico
Filtro RFI C3 (*)
(disponível nos
inversores
CFW700...C3...)
Motor
U/T1
V/T2
W/T3
DC+ DC-BR
Inversor
com
transistores
IGBT
Rede de
alimentação
R/L1/L
S/L2/N
T/L3
= Conexão barramento CC
= Conexão para resistor
de frenagem
Pré-
carga
Software WPS
Software WLP
Indutores link CC
Banco capacitores link CC
IGBT de frenagem
(disponível nos inversores
CFW700...DB...)
Filtro
RFI
HMI
CC700
Cartão de
controle
com CPU
32 bits
"RISC"
Saídas
analógicas
AO1 e AO2
Saída digital
DO1 (RL1)
Saídas digitais
DO2 a DO5
HMI
(remota)
Realimentações:
- tensão
- corrente
PE
PE
COMM 1
(Slot 3 - Verde)
Acessórios
= Interface homem-máquina
(*) O capacitor contra o terra do filtro RFI C3 (nos modelos da mecânica A é
possível atender a categoria C2) deve ser desconectado para redes IT e delta
aterrado. Consulte o item 3.2.3.1 Conexões de Entrada na página 151.
Figura 2.1: Blocodiagrama do CFW700

Table of Contents

Other manuals for WEG CFW700

Related product manuals