EasyManua.ls Logo

WEG CFW700 - Page 78

WEG CFW700
250 pages
Print Icon
To Next Page IconTo Next Page
To Next Page IconTo Next Page
To Previous Page IconTo Previous Page
To Previous Page IconTo Previous Page
Loading...
CFW700 | 73
Informaciones Generales
Español
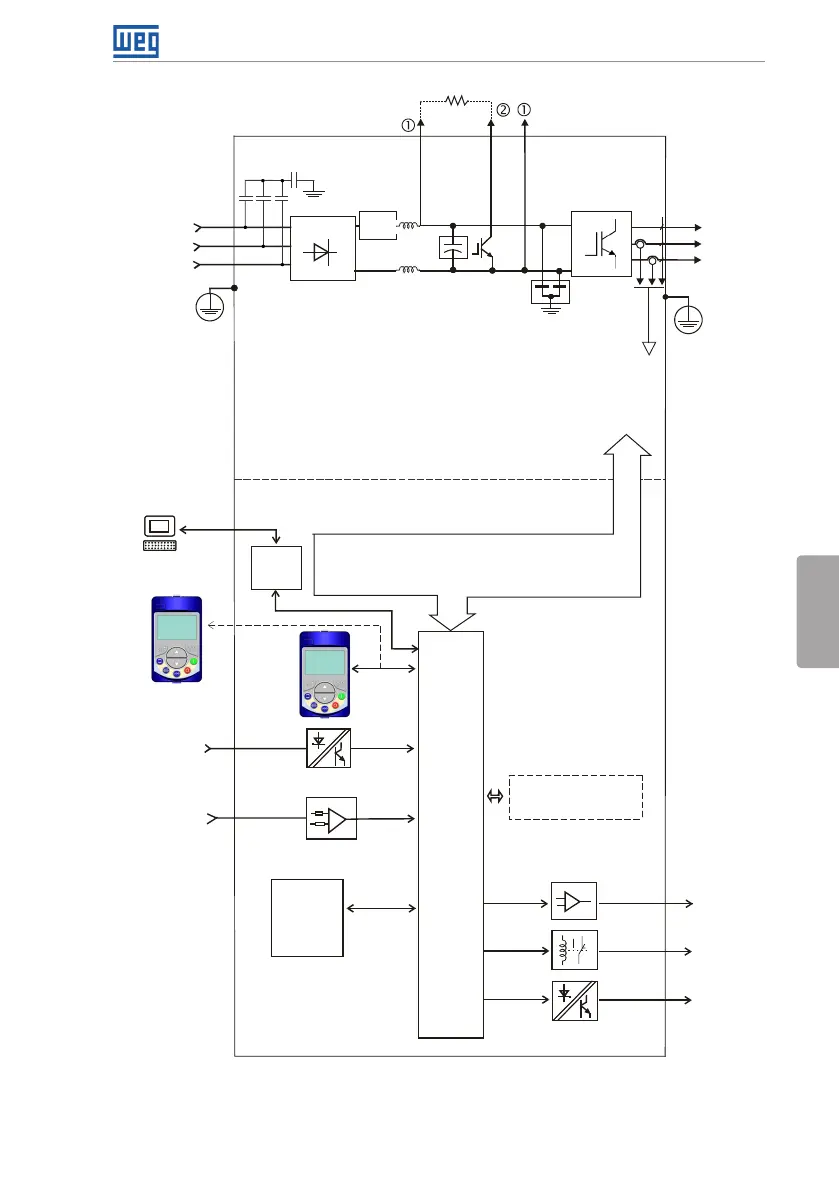
Entradas
analógicas
AI1 y AI2
Módulo de
memória
FLASH
(Slots)
Entradas
digitales
DI1 a DI8
Fuentes para electrónica y interfaces
entre potencia y control
RS-485
PC
POTENCIA
CONTROL
Retificador
trifásico
Filtro RFI C3 (*)
(disponible en
los convertidores
CFW700...C3...)
Motor
U/T1
V/T2
W/T3
DC+ DC-BR
Convertidor
con
transistores
IGBT
Red de
alimentación
R/L1/L
S/L2/N
T/L3
= Conexión del barramiento CC
= Conexn para el
resistor de frenado
Precarga
Software WPS
Software WLP
Indutores link CC
Banco de condensadores
link CC
IGBT de frenado
(disponible en los
convertidores CFW700...DB...)
Filtro
RFI
HMI
CC700
Tarjeta de
control
con CPU
32 bits
“RISC”
Salidas
analógicas
AO1 y AO2
Salida digital
DO1 (RL1)
Salidas
digitales
DO2 a DO5
HMI
(remota)
Realimentaciones:
- tensión
- corriente
PE
PE
COMM 1
(Slot 3 - Verde)
Accesorios
= Interface hombre-máquina
(*) El capacitor contra tierra del filtro RFI C3 (en los modelos del tamaño A es
posible atender la categoa C2) debe desconectarse para redes IT y para delta
puesta a tierra. Consulte el ítem 3.2.3.1 Conexiones de Entrada en la página 83.
Figura 2.1: Diagrama de bloque del CFW700

Table of Contents

Other manuals for WEG CFW700

Related product manuals