EasyManua.ls Logo

Yamaha F100A - Oil Pan Exploded Diagram

Yamaha F100A
463 pages
Print Icon
To Next Page IconTo Next Page
To Next Page IconTo Next Page
To Previous Page IconTo Previous Page
To Previous Page IconTo Previous Page
Loading...
7-11
E
BRKT
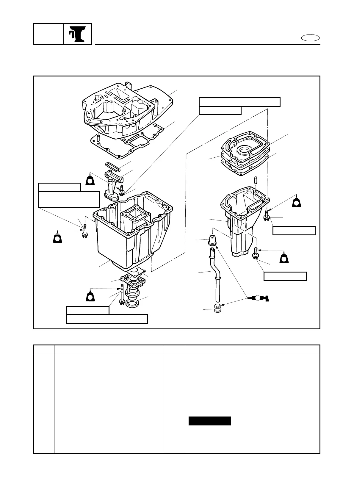
OIL PAN
OIL PAN
EXPLODED DIAGRAM
1
2
3
4
5
6
7
8
9
10
13
14
15
16
17
18
19
12
11
6 × 25 mm
6 × 25 mm
6 × 70 mm
6 × 50 mm
6 × 30 mm
LT
LT
572
LT
LT
572
LT
LT
572
LT
LT
572
LT
LT
572
10 Nm
(1.0 m
kg, 7.2 ft
Ib)
10 Nm (1.0 m
kg, 7.2 ft
Ib)
10 Nm (1.0 m
kg, 7.2 ft
Ib)
A
REMOVAL AND INSTALLATION CHART
Step Procedure/Part name Q’ty Service points
OIL PAN DISASSEMBLY
Follow the left “Step” for removal.
1 Bolt 6
2 Bolt 1
3 Muffler 1
4 Rubber seal 1
5 Water pipe 1
6 Rubber seal 1
7 Exhaust manifold gasket 2
8 Plate 1
9 Exhaust seal 1
10 Bolt 4
Not reusable

Table of Contents

Other manuals for Yamaha F100A

Related product manuals