EasyManua.ls Logo

YASKAWA MP2200 - Page 383

YASKAWA MP2200
529 pages
Print Icon
To Next Page IconTo Next Page
To Next Page IconTo Next Page
To Previous Page IconTo Previous Page
To Previous Page IconTo Previous Page
Loading...
6.2
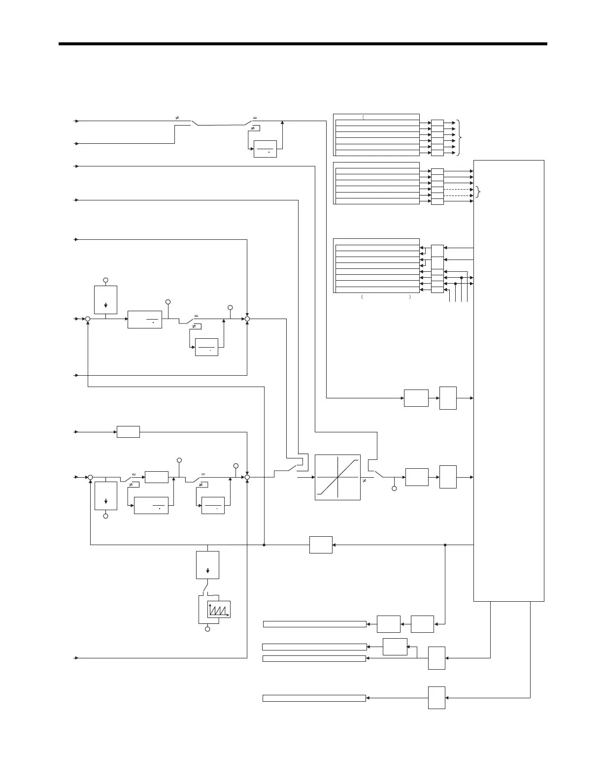
SVA-01 Module Control Block Diagram
6-27
-
PERR
IL
1A
Kp
P I control
1
1+T
S
Primary Lag
Time Constant
OW33
P control
Primary Lag
Position
Integration
Time Constant
OW32
0
0
Position Loop
Output Monitor
IL
28
Kf
+
+
Position
Loop Gain
OW2E
Present
position
calculation
APOS
IL16
-
PERR
IL
1A
Kp (1+ )
Ti
S
1
P I calculation
Speed Feed Forward Compensation
OW30
+
+
POSING
EX_POSING
ZRET
INTERPOLATE
LATCH
FEED
STEP
PHASE
VELO
Speed Reference
Output Monitor
IL20
D/A
TRQ
TRQ
TRQ
TRQ
D/A
Analog torque
reference output
Analog speed
reference output
Feedback pulse input
SERVOPACK
Speed
calculation
A/D
Torque
calculation
A/D
Analog torque
monitor input
Analog speed
monitor input
OW12
Speed limiter
OW13
0
/S-ON
/ALM RST
/P-CON
(Used as C-SEL signal.)
Selected by user.
/ALM
/S-RDY
ZERO/HOME
OTF
OTR
EXT/DEC
SEN
OW00, bit 11=ON
or Ti=0,
Integration Reset
General-purpose outputs
/P-OT
/N-OT
Torque Reference
Primary Lag Filter
Time Constant
OW0F
Integral
Output Monitor
IL24
Moving
average
Unit
conversion
[UNIT]
[pulse]
0
0
Unit
conversion
[UNIT]
[pulse]
Integral
Output Monitor
IL24
Position Loop
Output Monitor
IL
28
Kp (1+ )
Ti
S
1
OW00, bit 11=ON
or Ti=0,
Integration Reset
1
1+T
S
Primary Lag
0
0
Primary Lag
Time Constant
OW33
Unit
conversion
[UNIT]
[pulse]
1
1+T
S
Primary Lag
0
0
OW00, bit 15:
Alarm reset
I/O:
Outputs (normal operation mode)
Internal variable:
Control mode switch
OW5D, bit 3:
General-purpose
DO_3
OW5D, bit 4:
General-purpose
DO_4
Internal variable:
SEN signal
OW00, bit 0:
Servo ON
I/O:
Inputs
IW58, bit 2:
General-purpose DI_2
Bits 2 and 5: latchable
IW58, bit 3:
General-purpose
DI_3
IW58, bit 4:
General-purpose DI_4
IW58, bit 5:
General-purpose DI_5
IW04, bit 0:
Servodriver error
IW00, bit 3:
Servo ready
IW58, bit 1:
General-purpose DI_1
IW58, bit 0:
General-purpose DI_0
OW5D, bit 0:
General-purpose
DO_0
OW5D, bit 1:
General-purpose
DO_1
OW5D, bit 2:
General-purpose
DO_2
OW5D, bit 5:
General-purpose
DO_5
31
30
12
14
13
32
CN1/CN2
OW5D, bit 3:
General-purpose
DO_3
OW5D, bit 4:
General-purpose
DO_4
CN1/CN2
17
35
18
15
33
36
31
30
12
14
13
32
CN1/CN2
I/O:
Outputs General-purpose I/O mode)
IL42:
Torque (Thrust) Reference Monitor
IW59:
General-purpose
AI
Monitor 1
[0.001V]
IW5A:
General-purpose
AI
Monitor 2
[0.001V]
IL40:
Feedback Speed
(b)
(a)
(c)
(d)
(e)
(f)
(h)
(i)
(j)
(g)
Finite
length
Infinite
length
Torque
calculation
Speed
calculation
WWW.NNC.IR

Table of Contents

Related product manuals