EasyManua.ls Logo

ZENEC Z-E2050 - Page 75

ZENEC Z-E2050
77 pages
Print Icon
To Next Page IconTo Next Page
To Next Page IconTo Next Page
To Previous Page IconTo Previous Page
To Previous Page IconTo Previous Page
Loading...
75 Rev.B
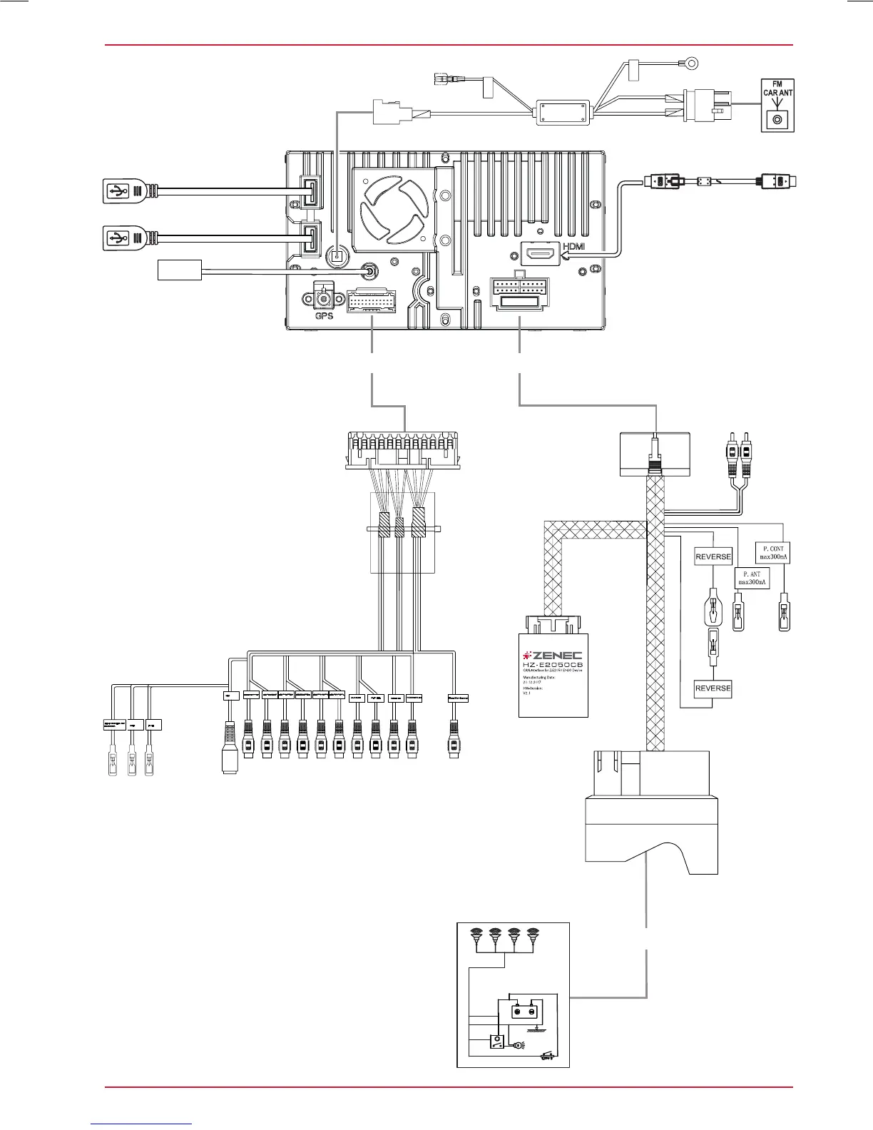
AC
DAB
USB 1
USB 2
HDMI
B
CAN Box
Rear Monitor Out
Camera IN
P.CONT (max 300mA)
P.ANT (max 300mA)
Video IN
Aux IN L
Aux IN R
Line Out Rear L
Line Out Rear R
Line Out Front L
Line Out Front R
Line Out Woofer
Line Out Woofer
MIC
IR / IN
GND
Camera +12V (max 300mA)
P. ANT
GND
GND
P. ANT
Aux Out L
Aux Out R

Table of Contents

Other manuals for ZENEC Z-E2050

Related product manuals