EasyManua.ls Logo

Aeroflex 3412 - Page 412

Aeroflex 3412
467 pages
Print Icon
To Next Page IconTo Next Page
To Next Page IconTo Next Page
To Previous Page IconTo Previous Page
To Previous Page IconTo Previous Page
Loading...
REMOTE OPERATION STATUS COMMANDS
4-208
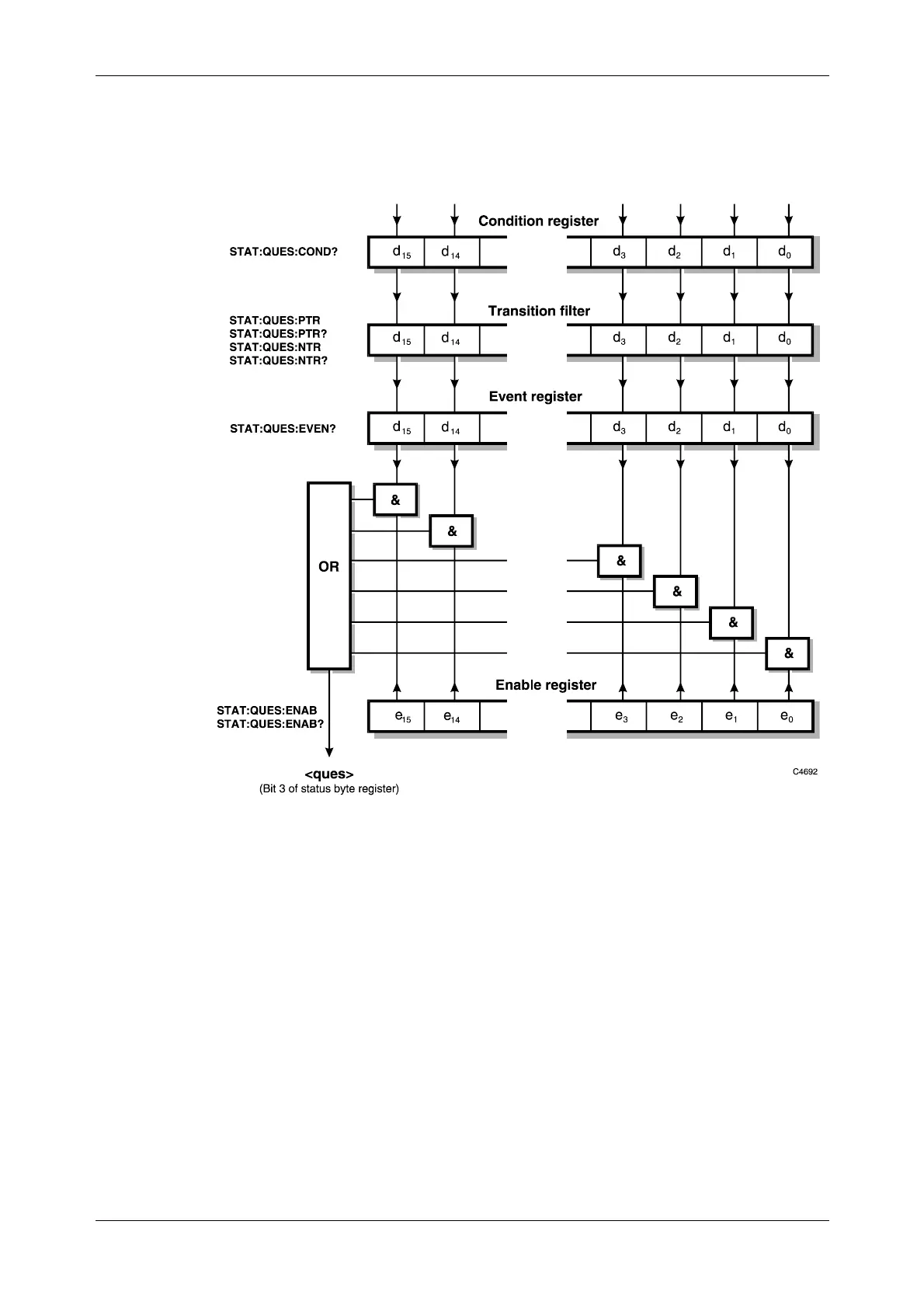
Questionable status register
This is a device-dependent register and the bits have meanings as shown below.
d0 d8 calibration required
d1 d9 oscillator
d2 d10
d3 power d11
d4 d12
d5 frequency d13
d6 d14
d7 d15

Table of Contents

Related product manuals