EasyManua.ls Logo

Agilent Technologies 6890 Series - Page 87

Agilent Technologies 6890 Series
286 pages
Print Icon
To Next Page IconTo Next Page
To Next Page IconTo Next Page
To Previous Page IconTo Previous Page
To Previous Page IconTo Previous Page
Loading...
75
Part 2. NonEPC control Flow and Pressure Control
Detectors
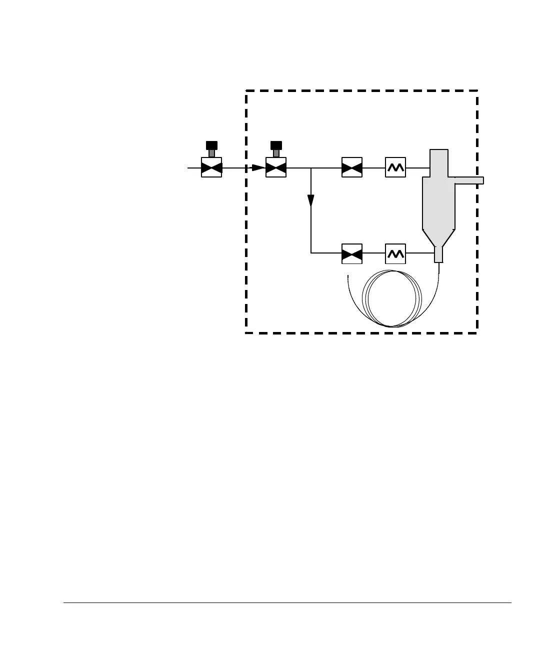
Figure 14 ECD without EPC
See the Detectors volume for flow rate details.
Anode purge
and makeup in
EXTERNAL
pressure
regulator
INTERNAL
pressure
regulator
Keyboard-controlled
On/off solenoid
valves
Restrictors
Anode purge
Makeup flow
ECD
6890 GC

Table of Contents

Other manuals for Agilent Technologies 6890 Series

Related product manuals