EasyManua.ls Logo

Anritsu MT1040A - Page 512

Anritsu MT1040A
684 pages
Print Icon
To Next Page IconTo Next Page
To Next Page IconTo Next Page
To Previous Page IconTo Previous Page
To Previous Page IconTo Previous Page
Loading...
88..44 eCPRI/RoE BERTeCPRI/RoE BERT
RoE (Radio over Ethernet) is the way to control radio base stations over Ethernet and
means two standards below. RoE BERT measures the bit error rate of received signal
according to these standards.
eCPRI Specification V1.0 (Common Public Radio Interface)
IEEE 1914.3 Standard for Radio over Ethernet Encapsulations and Mappings
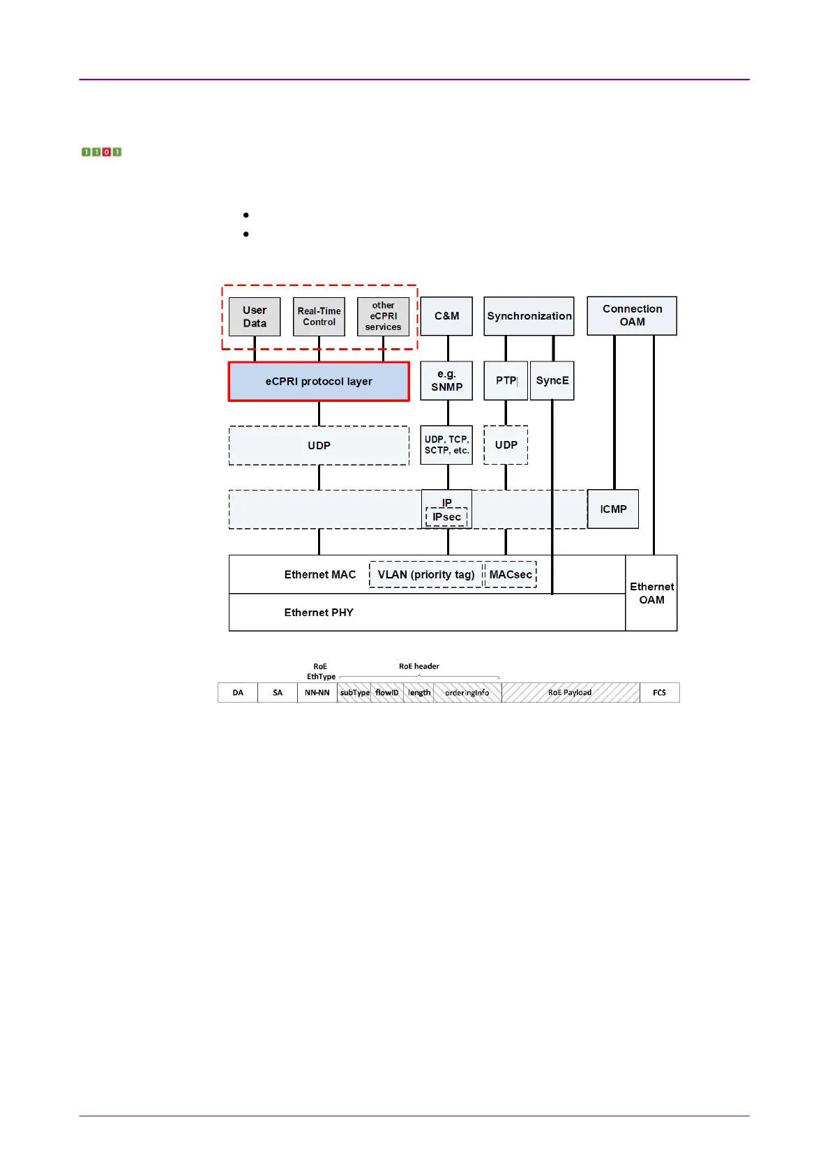
eCPRI protocol stack is shown in the figure below.
RoE encapsulation in Ethernet frames is shown in the figure below.
DA: Destination MAC Address
SA: Source MAC Address
NN-NN: EtherType (0xFC3D)
subType (sub type) field: 8 bits
flowID (flow identifier) field: 8 bits
length (length) field: 16 bits
orderInfo (timeStamp/seqNum) field: 32 bits
FCS: Frame Check Sequence
Mobile xHaul ApplicationsMobile xHaul Applications
512512

Table of Contents

Related product manuals