EasyManua.ls Logo

Arjo Tornado - Cooling Methods and Inspection Holes

Arjo Tornado
94 pages
Print Icon
To Next Page IconTo Next Page
To Next Page IconTo Next Page
To Previous Page IconTo Previous Page
To Previous Page IconTo Previous Page
Loading...
13
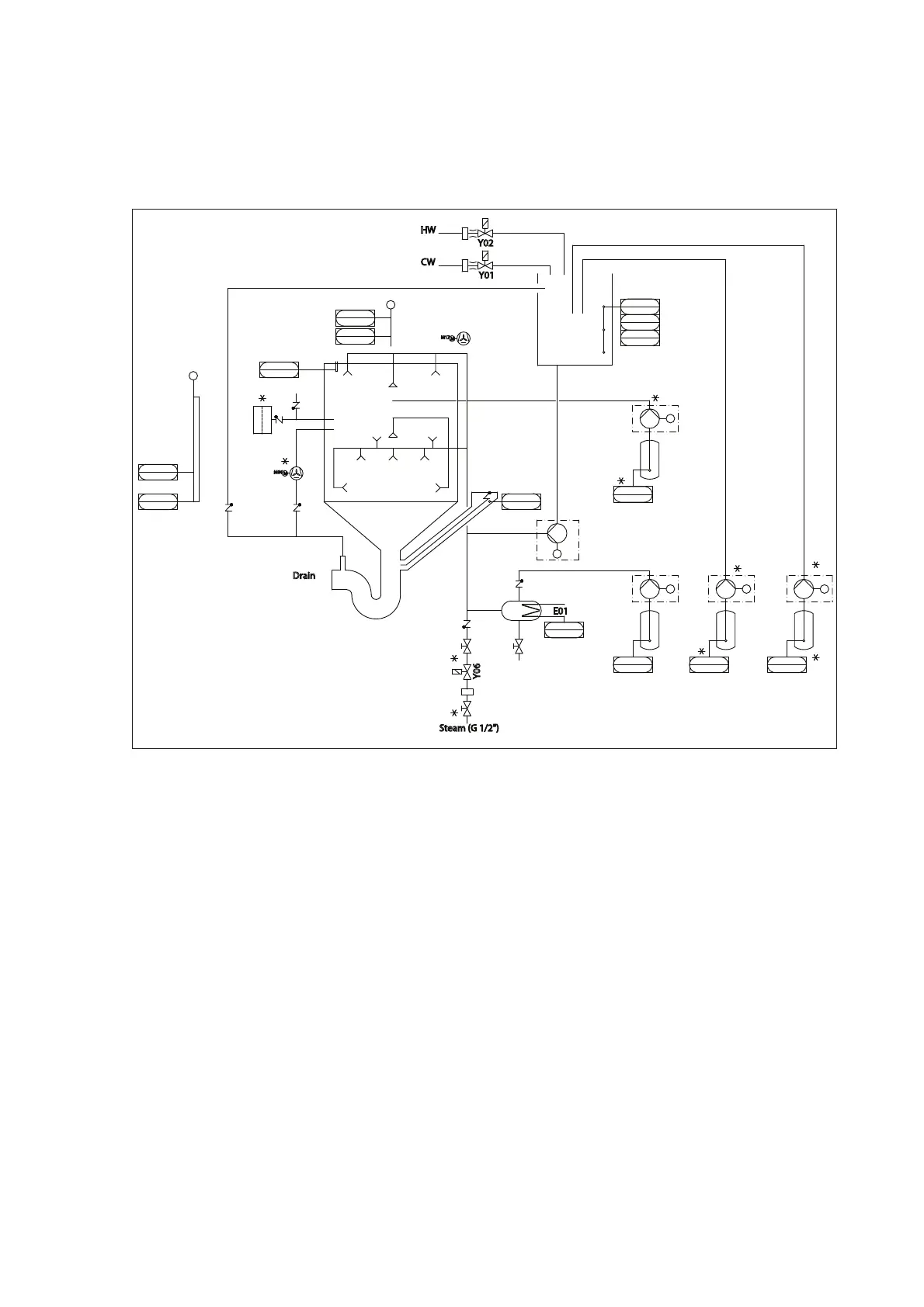
2.4 P&I diagram
M01
M
TS
B20
LA
B02
M04
M
LA
B04
M
M03
LSA
B01A
LSA
B01B
LSA
B01C
LA
B05
M
GS
S03
GS
S05
M18
TIA/TIR
B07
Instrument funktioner enl. ISO 3511.
Komponent märkning enl. IEC 750.
Instrument functions acc. to. ISO 3511.
Component marking acc. to IEC 750.
=OPTIONS
G 1/2"
G 1/2"
Ø110 or 90mm.
M
GS
S05
GS
S03
M16
LA
B06
M
M07
ZXX
LA
B03
M02
M
Replace E01 and B20.
001430
Figure 1. P&I diagram
2.4.1 Safe and simple
The disinfector is fully automated and the control buttons are few
and clearly marked, making operation simple. Through continuous
monitoring of the process, safety and reliability can remain high,
and at the same time, the built-in service program substantially
facilitates troubleshooting and service.
The dosing of descaler, the temperature, and the disinfection time
can all be altered with great precision to suit different conditions.
2.4.2 Simple service and installation
Valves and the electrical equipment are easily accessible for
inspection and service from the front and from above.
2.5 Cooling
2.5.1 Cooling with ventilator (optional)
The items can be cooled by the ventilator fan sucking the warm air
out from the chamber.

Table of Contents

Other manuals for Arjo Tornado

Related product manuals