EasyManua.ls Logo

artisan 8640B - Page 288

artisan 8640B
411 pages
Print Icon
To Next Page IconTo Next Page
To Next Page IconTo Next Page
To Previous Page IconTo Previous Page
To Previous Page IconTo Previous Page
Loading...
Model 8640B TM 9-4935-601-14-7&P
CHANGE 24 (cont'd)
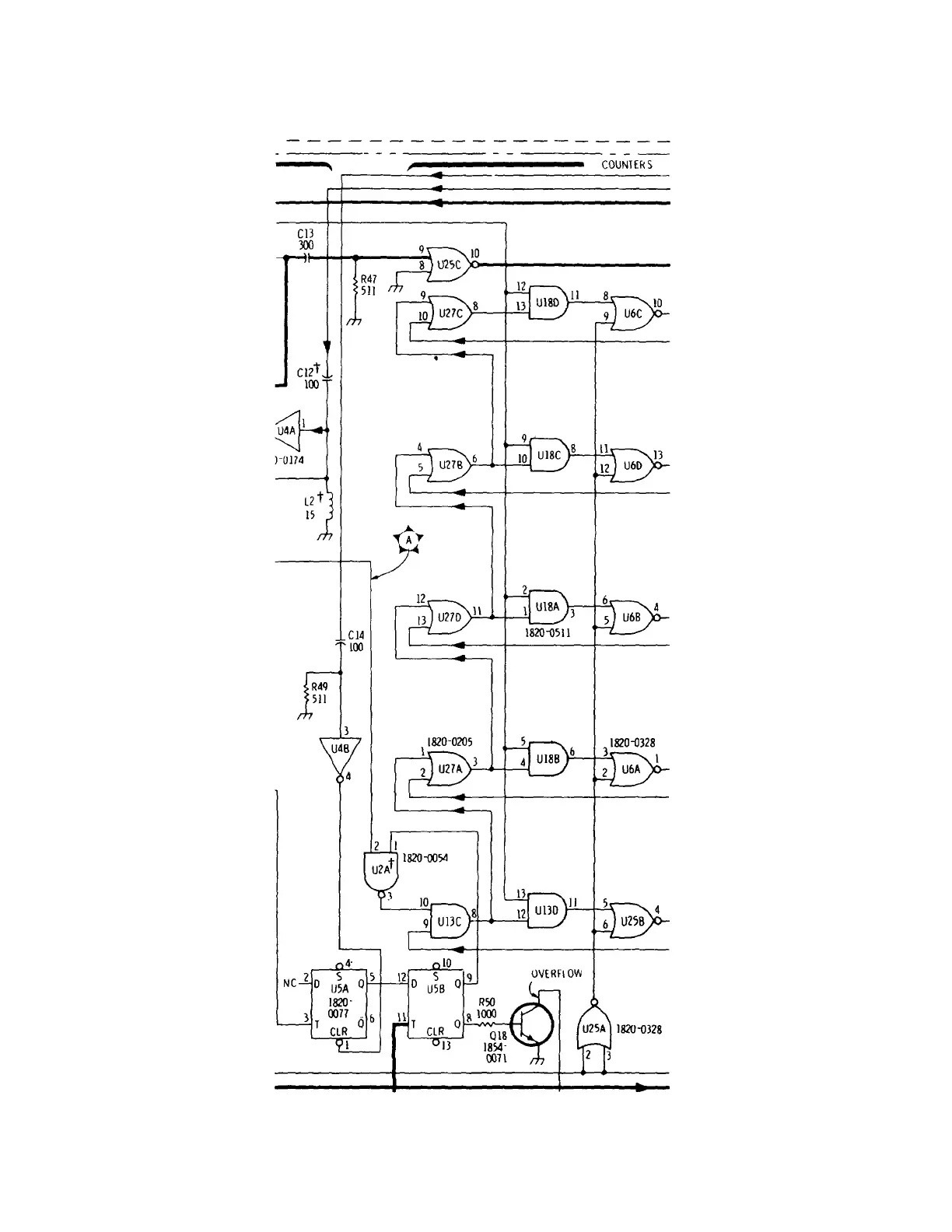
P/O Figure 8-62. Up/Down Counter and Display Schematic Diagram (P/O Change 24)
7-54
Cl3
300
R47
511
---------
COUN1£K
S
Artisan Technology Group - Quality Instrumentation ... Guaranteed | (888) 88-SOURCE | www.artisantg.com

Table of Contents