EasyManua.ls Logo

Baumuller b maXX 5500 - Page 205

Baumuller b maXX 5500
316 pages
Print Icon
To Next Page IconTo Next Page
To Next Page IconTo Next Page
To Previous Page IconTo Previous Page
To Previous Page IconTo Previous Page
Loading...
Installation
Instruction handbook b maXX BM5500, BM5600, BM5700
Document No.: 5.13008.10
205
of 314
7
Connection
m Analog input/output
a
n
a
l
o
g
e
r
E
i
n
g
a
n
g
+
/
-
1
0
V
a
n
a
l
o
g
e
r
A
u
s
g
a
n
g
+
/
-
1
0
V
B
e
z
u
g
s
p
o
t
e
n
t
i
a
l
B
S
A
24V
GND
24V
GND
2
4
V
G
N
D
2
4
V
G
N
D
2
4
V
G
N
D
V
e
r
s
o
r
g
u
n
g
a
n
a
l
o
g
u
n
d
d
i
g
i
t
a
l
a
n
a
l
o
g
e
r
E
i
n
g
a
n
g
(
0
)
4
.
.
.
2
0
m
A
Power supply
analog and
digital
Analog
input
-10 V to +10 V
Analog
input
(0) .. 4 to 20 mA
Analog
output
-10 V to +10 V
reference potential BSA
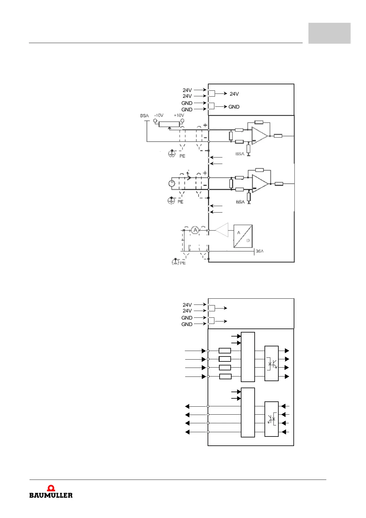
Figure 100: Connection of analog inputs/outputs SVP
m Digital inputs/outputs
2
4
V
G
N
D
2
4
V
G
N
D
2
4
V
G
N
D
V
e
r
s
o
r
g
u
n
g
a
n
a
l
o
g
u
n
d
d
i
g
i
t
a
l
Power supply
analog and
digital
24V int
GND int
24V int
GND int
24V
24V
24V
24V
24V int
GND int
24V
24V
24V
24V
Figure 101: Connection digital inputs/outputs SVP

Table of Contents

Related product manuals