EasyManua.ls Logo

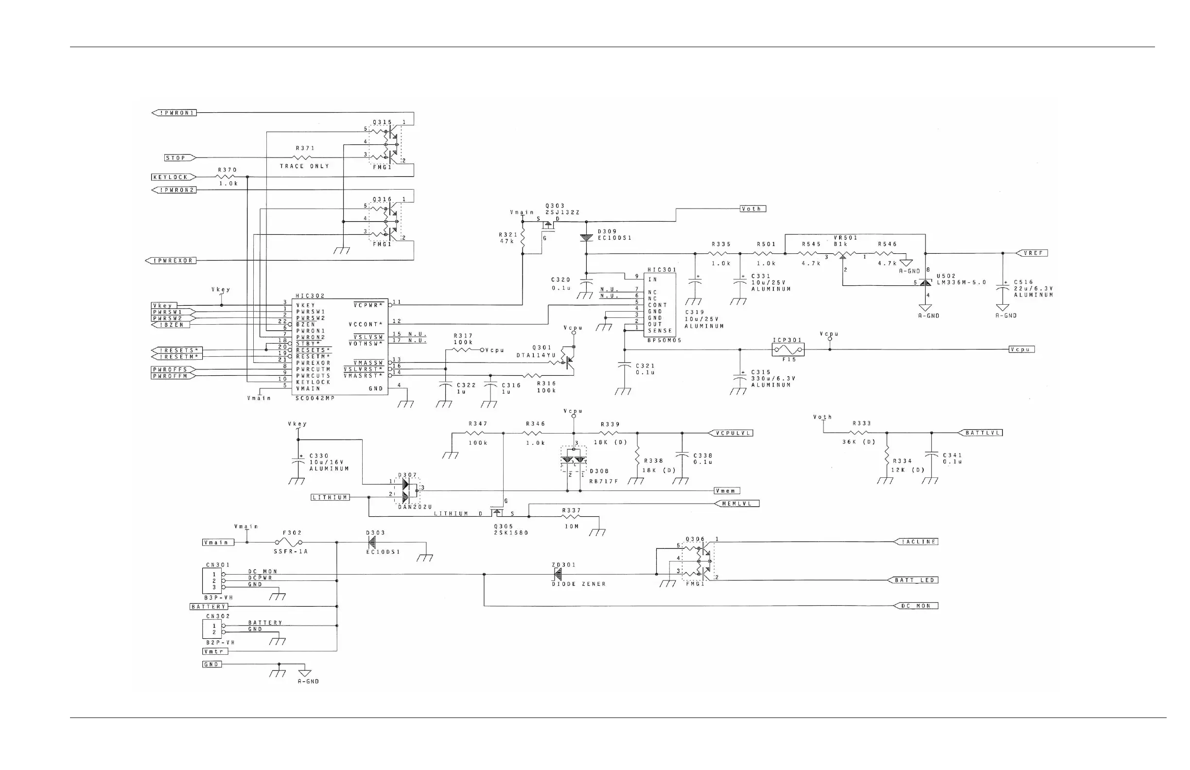
baxter Flo-Gard 6301 - Figure 13-7 Power Supply Control - Hybrid Circuit

baxter Flo-Gard 6301
252 pages
Print Icon
To Next Page IconTo Next Page
To Next Page IconTo Next Page
To Previous Page IconTo Previous Page
To Previous Page IconTo Previous Page
Loading...
07-19-B1-729 FLO-GARD 6301 DUAL CHANNEL VOLUMETRIC INFUSION PUMP SERVICE MANUAL 13-9
Figure 13-7 Power Supply Control - Hybrid Circuit

Table of Contents

Other manuals for baxter Flo-Gard 6301

Related product manuals