EasyManua.ls Logo

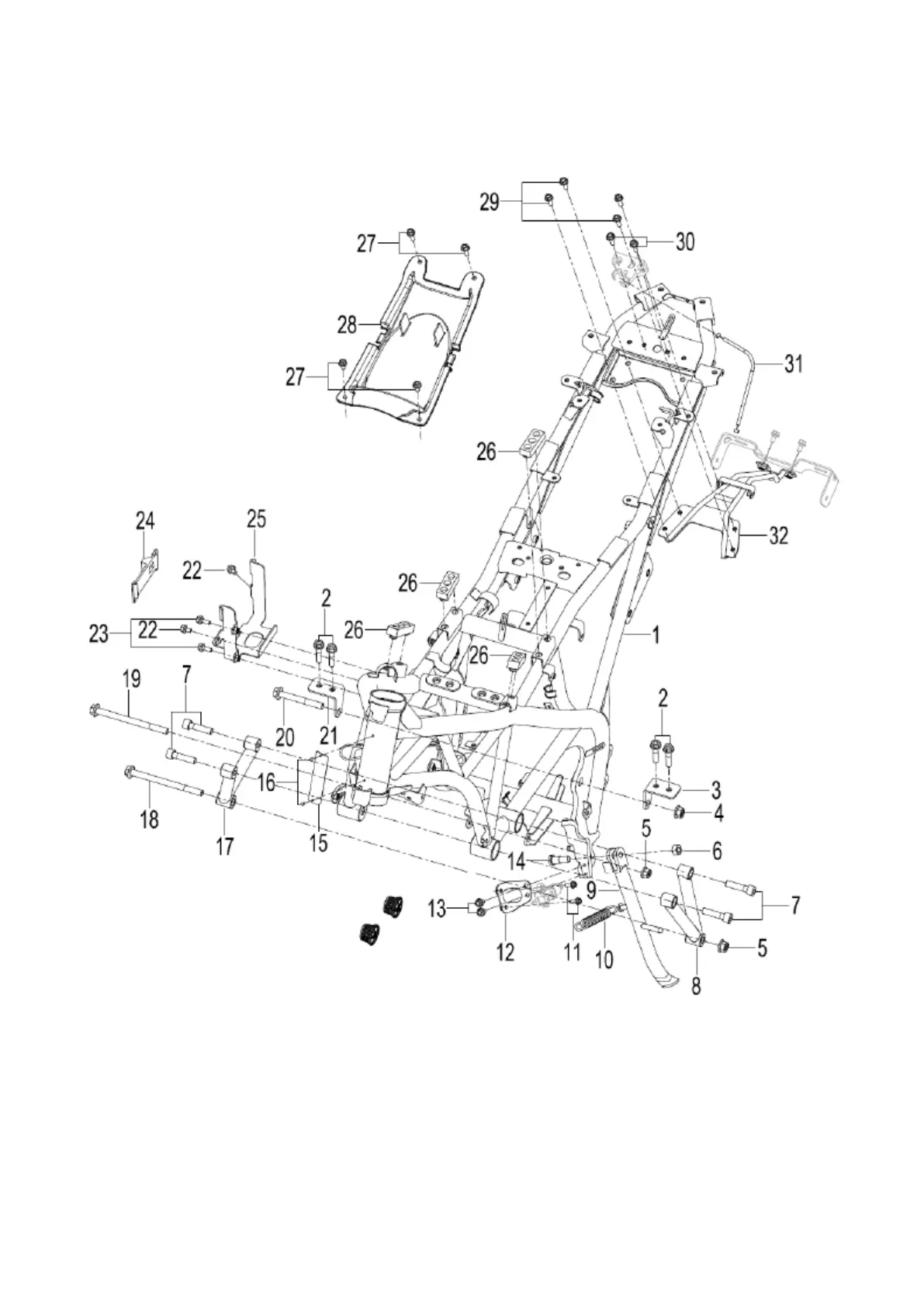
Benelli TNT 25 - Frame; Frame Exploded View

Benelli TNT 25
440 pages
Print Icon
To Next Page IconTo Next Page
To Next Page IconTo Next Page
To Previous Page IconTo Previous Page
To Previous Page IconTo Previous Page
Loading...
Frame
Frame Exploded View
6-86

Table of Contents