EasyManua.ls Logo

Brother S-7300A - Page 66

Brother S-7300A
196 pages
Print Icon
To Next Page IconTo Next Page
To Next Page IconTo Next Page
To Previous Page IconTo Previous Page
To Previous Page IconTo Previous Page
Loading...
S-7300A
5. DISASSEMBLY
55
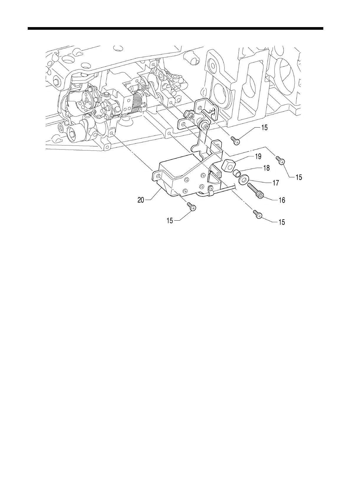
15. Screws [4 pcs]
16. Socket bolt
17. Washer
18. Collar
19. Rubber cushion (Remove from 18)
20. thread trimmer solenoid assembly
1062D

Table of Contents

Other manuals for Brother S-7300A

Related product manuals