EasyManua.ls Logo

Brother S-7300A - Mechanism Component Disassembly

Brother S-7300A
196 pages
Print Icon
To Next Page IconTo Next Page
To Next Page IconTo Next Page
To Previous Page IconTo Previous Page
To Previous Page IconTo Previous Page
Loading...
S-7300A
5. DISASSEMBLY
62
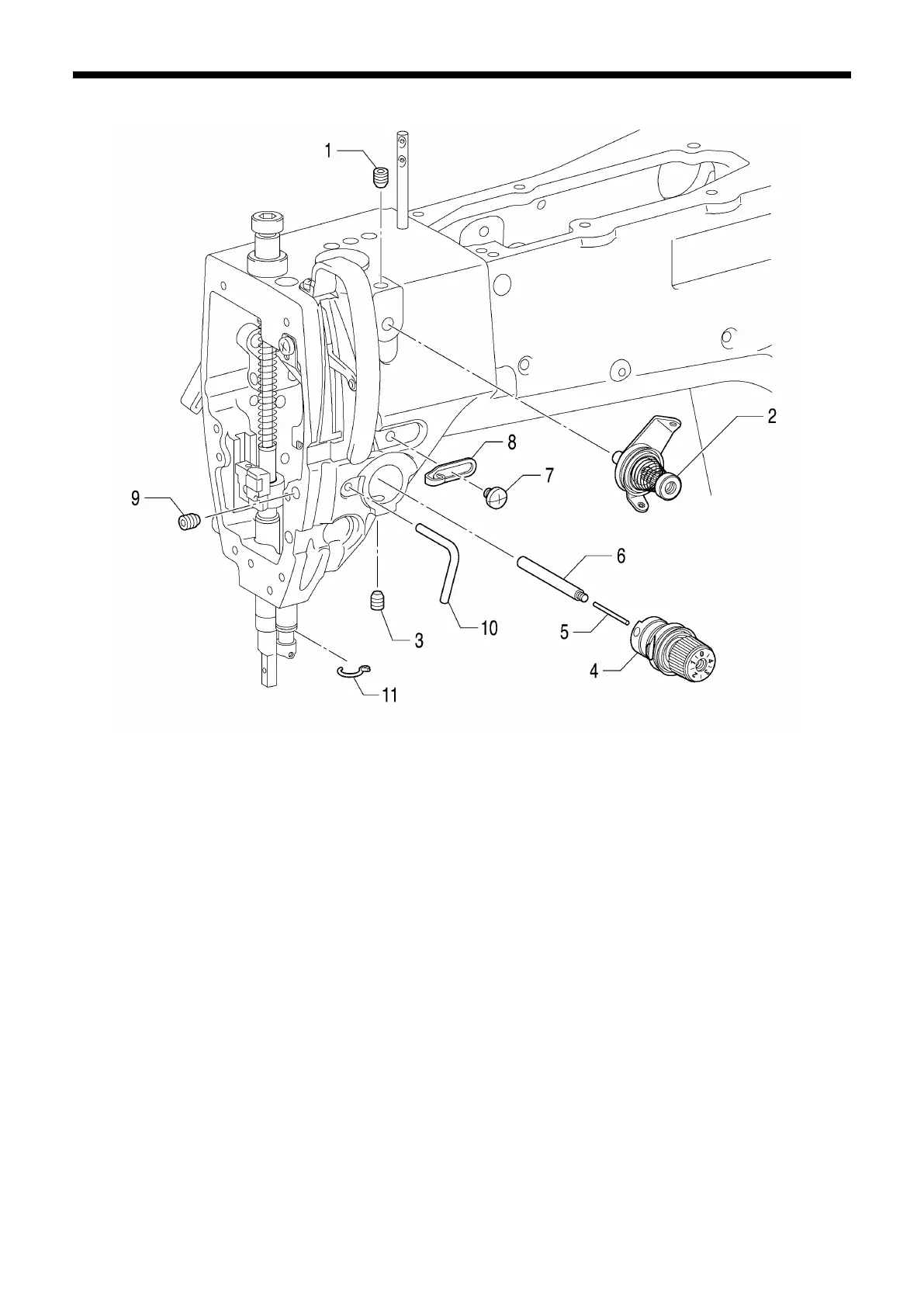
5-11. Tension mechanism (Other than premier specifications)
1. Set screw
2. Pre-tension assembly S
3. Set screw
4. Thread tension bracket assembly
5. Tension release pin
6. Tension release bar
7. Screw
8. Arm thread guide R
9. Set screw
10. Thread guide arm
11. Needle bar bush D thread guide
1216D

Table of Contents

Other manuals for Brother S-7300A

Related product manuals