EasyManua.ls Logo

Brother S-7300A - Tension Mechanism (Premier Specifications)

Brother S-7300A
196 pages
Print Icon
To Next Page IconTo Next Page
To Next Page IconTo Next Page
To Previous Page IconTo Previous Page
To Previous Page IconTo Previous Page
Loading...
S-7300A
5. DISASSEMBLY
63
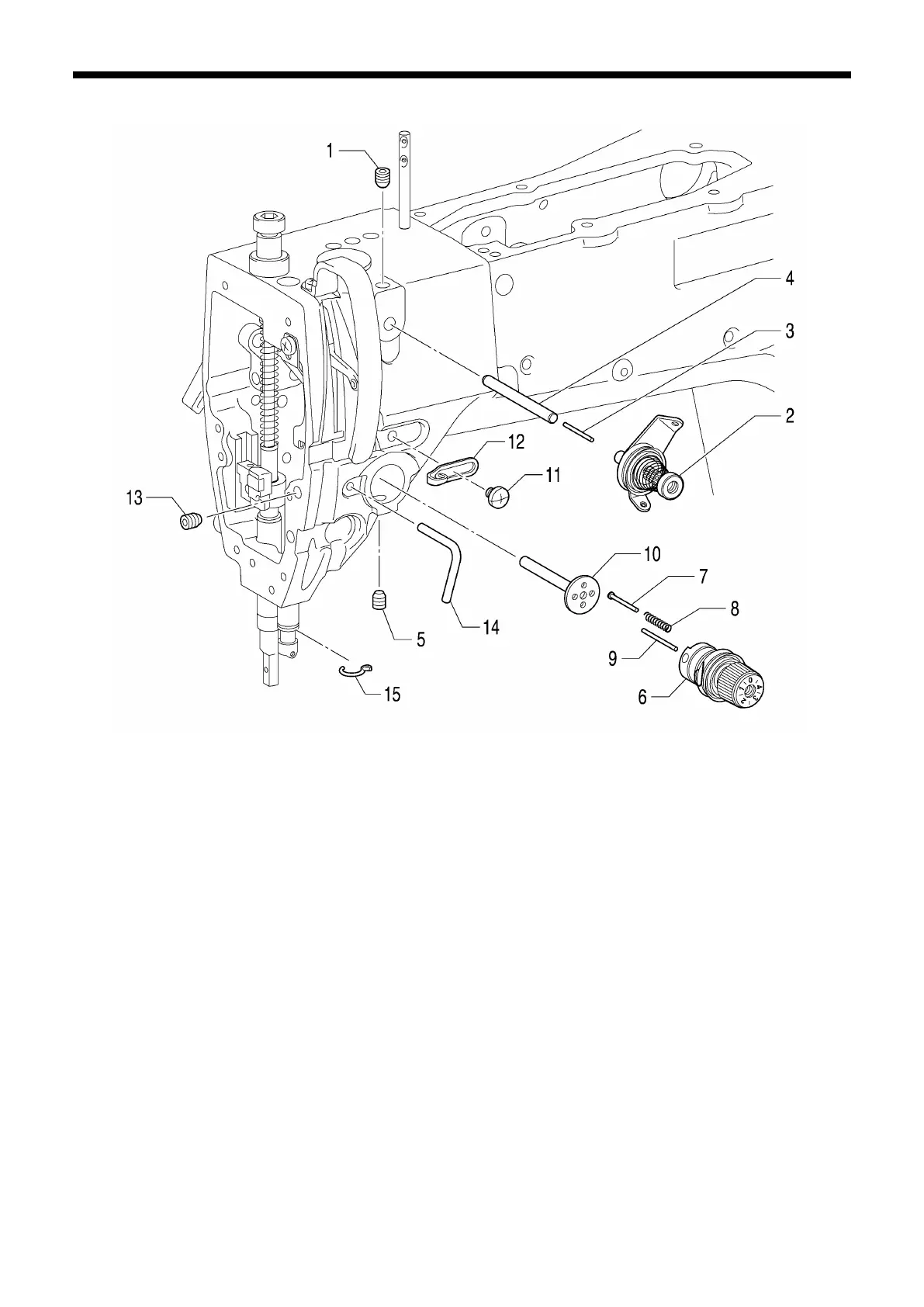
5-12. Tension mechanism (Premier specifications)
1. Set screw
2. Pre-tension assembly P
3. Tension release pin A
4. Tension release bar A
5. Set screw
6. Thread tension bracket assembly
7. Thread take-up spring stopper
8. Stopper spring
0991D
9. Tension release pin
10. Tension release bar assembly
11. Screw
12. Arm thread guide R
13. Set screw
14. Thread guide arm
15. Needle bar bush D thread guide

Table of Contents

Other manuals for Brother S-7300A

Related product manuals