EasyManua.ls Logo

Burkert 8693 - 6 Settings on the Positioner

Burkert 8693
195 pages
Print Icon
To Next Page IconTo Next Page
To Next Page IconTo Next Page
To Previous Page IconTo Previous Page
To Previous Page IconTo Previous Page
Loading...
131
Type 8692, 8693
english
PROFIBUS-DP
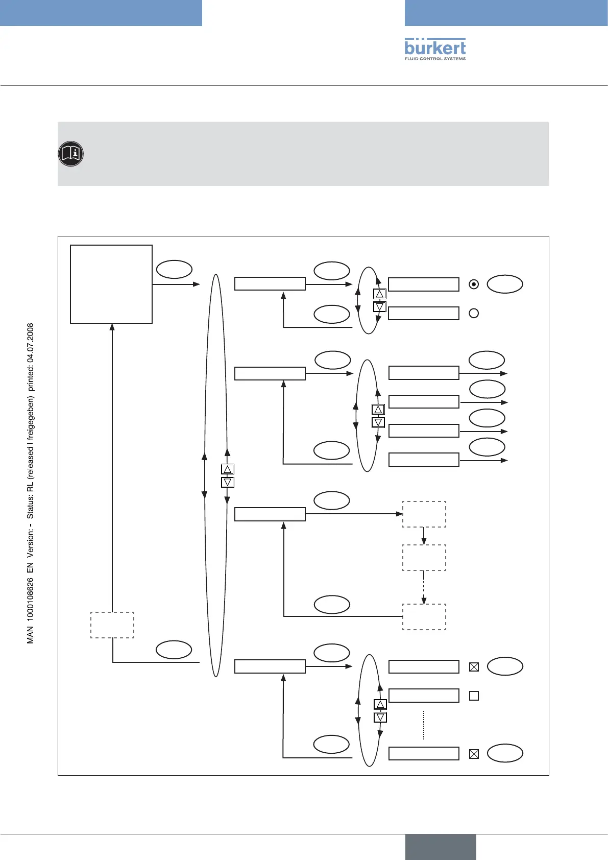
6 SETTINGS ON THE POSITIONER
The specification of the basic settings on the positioner can be found in the following chapters:
Type 8692: "Starting up and operating the position controller Type 8692" / "Starting up and setting up the position
controller Type 8692"
Type 8693: "Starting up and operating the position controller Type 8693" / "Starting up and setting up the process
controller Type 8693"
Specify the basic settings on the positioner (
ACTUATOR and X.TUNE).
Implement the settings in the BUS.COMM menu option as described in the chapter entitled " Explanations of the menu
options in the BUS.COMM menu" .
Operating state
AUTOMATIC
or
MANUAL
MENU
ACTUATOR
BUS.COMM
X.TUNE
ADD.FUNCTION
ENTER
SELEC
SINGLE
EXIT
SAVE
EEPROM
Address 0
EXIT
ENTER
approx. 3s
RUN
ENTER
approx. 3s
X.TUNE
STARTED
TUNE #0
INIT
X.TUNE
READY
EXIT
ENTER
CHARACT
DOUBLE
BUS FAIL
BUS PDI
BUS PDO
CUTOFF
ENTER
SERVICE
EXIT
EXIT
INPUT
ENTER
ENTER
ENTER
Fig. 4: Operating structure - basic settings - PROFIBUS

Table of Contents

Other manuals for Burkert 8693

Related product manuals