EasyManua.ls Logo

Burkert 8693 - Description of the Basic Functions in the Main Menu; Main Menu of the Positioner

Burkert 8693
195 pages
Print Icon
To Next Page IconTo Next Page
To Next Page IconTo Next Page
To Previous Page IconTo Previous Page
To Previous Page IconTo Previous Page
Loading...
56
Type 8692, 8693
english
Start-up, operation
position controller Type 8692
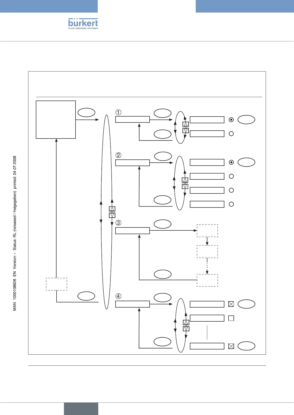
2.4 Description of the basic functions in the main menu
2.4.1 Main menu of the positioner
Operating state
AUTOMATIC
or
MANUAL
MENU
ACTUATOR
INPUT
X.TUNE
ADD.FUNCTION
ENTER
SELEC
SINGLE
EXIT
SAVE
EEPROM
SELEC
4-20 mA
EXIT
ENTER
approx. 3s
RUN
ENTER
approx. 3s
X.TUNE
STARTED
TUNE #0
INIT
X.TUNE
READY
EXIT
ENTER
CHARACT
DOUBLE
0-20 mA
0-10 V
0- 5 V
CUTOFF
ENTER
SERVICE
EXIT
EXIT
Main menu
MAIN
Selection menu
(ACTUATOR, INPUT, ...)
Operate process Configuration
**
*
Fig. 1: Operating structure of basic settings
* ACTUATOR: the operating mode of the actuator has been preset at the factory.
** ADD.FUNCTION is not required for the initial start-up.

Table of Contents

Other manuals for Burkert 8693

Related product manuals