EasyManua.ls Logo

Burstner Premio - Circuit Diagram, Interior; Circuit Diagrams

Burstner Premio
224 pages
Print Icon
To Next Page IconTo Next Page
To Next Page IconTo Next Page
To Previous Page IconTo Previous Page
To Previous Page IconTo Previous Page
Loading...
107Premio/Averso - 13/14 - Ausgabe 09/13 - 2354619 - BUE-0048-12EN
Electrical system
8
8.9 Circuit diagrams
8.9.1 Circuit diagram, interior
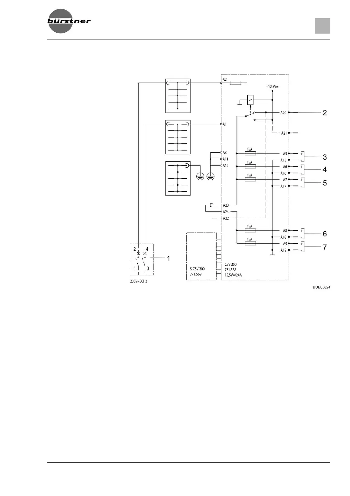
Fig. 136 Circuit diagram, interior (CSV 300)
1 230 V automatic circuit breaker
2 Battery towing vehicle (external fuse max. 15 A)
3 12 V output, circuit 1
4 12 V output, circuit 2
5 12 V output, circuit 3
6 12 V output, circuit 4
7 12 V output, circuit 5

Table of Contents

Related product manuals