EasyManua.ls Logo

Case 695ST - Setup Menu

Case 695ST
434 pages
Print Icon
To Next Page IconTo Next Page
To Next Page IconTo Next Page
To Previous Page IconTo Previous Page
To Previous Page IconTo Previous Page
Loading...
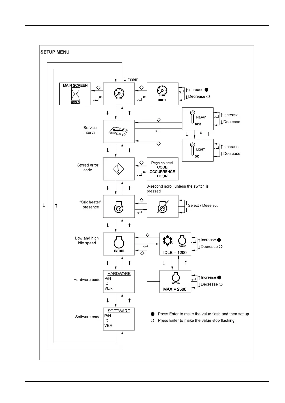
3-CONTROLSANDINSTRUMENTS
Setupmenu
LEIL12TLB00006I1
3-39

Table of Contents

Other manuals for Case 695ST

Related product manuals