EasyManua.ls Logo

Danfoss VLT AutomationDrive FC 300 - Page 194

Danfoss VLT AutomationDrive FC 300
296 pages
To Next Page IconTo Next Page
To Next Page IconTo Next Page
To Previous Page IconTo Previous Page
To Previous Page IconTo Previous Page
Loading...
C
C
567
22.3[ ]
0
0[ ]
58
2.3[ ]
0
0[ ]
123
4.9[ ]
188
7.4[ ]
246
9.7[ ]
0
0[ ]
C-C
130BC545.12
R
S
T
1
2
3
4
5
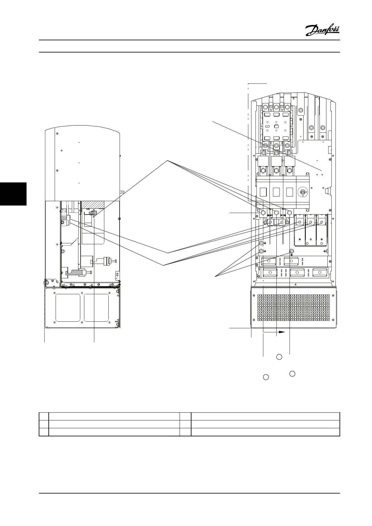
Figure 7.15 Terminal Locations, D8h with Contactor and Disconnect Options
1
TB6 Terminal block for contactor 4 Motor Terminals
2 Line Power Terminals 5 Ground Terminals
3 Brake Terminals
Table 7.13 Legend to Figure 7.15
Electrical Installation
Design Guide
192 Danfoss A/S © Rev. 2014-02-10 All rights reserved. MG34S222
77

Table of Contents

Other manuals for Danfoss VLT AutomationDrive FC 300

Related product manuals