EasyManua.ls Logo

DIMA HC-200 - Page 149

Default Icon
174 pages
Print Icon
To Next Page IconTo Next Page
To Next Page IconTo Next Page
To Previous Page IconTo Previous Page
To Previous Page IconTo Previous Page
Loading...
HYBRID Coater Service Manual ver1.1 Appendix E
147
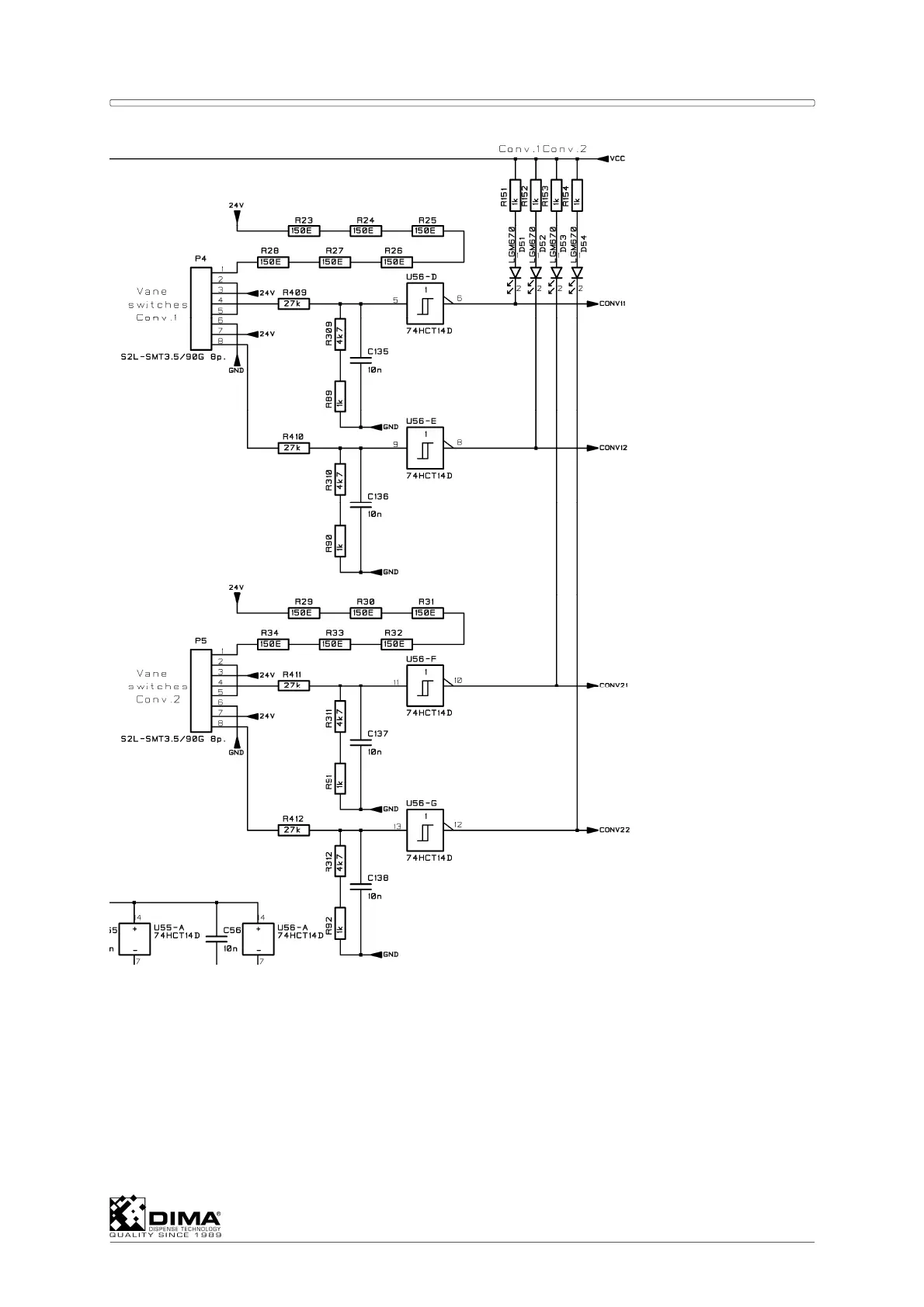
CONNECTORS P6 FOR DISPENSE MOTORS OR ROTARY VALES
Connector P6 is used for connecting the signals of dispense motors or rotary valves and
illumination to the Connection PCB EL-04875. The dispense motors or rotary valves and
illumination are connected to the Dispense Head PCB (EL-04806 or EL-04876 for HC-200
and EL-04879 for HC-100).
Connector P14 is the connector on the left side of the Control PCB. It is connected to the EL-
04872 Advanced Power LED Control PCB. That PCB controls the intensity of the illumination
of the camera on the dispense head.

Table of Contents

Related product manuals