EasyManua.ls Logo

DIMA HC-200 - Page 150

Default Icon
174 pages
Print Icon
To Next Page IconTo Next Page
To Next Page IconTo Next Page
To Previous Page IconTo Previous Page
To Previous Page IconTo Previous Page
Loading...
Appendix E HYBRID Coater Service Manual ver1.1
148
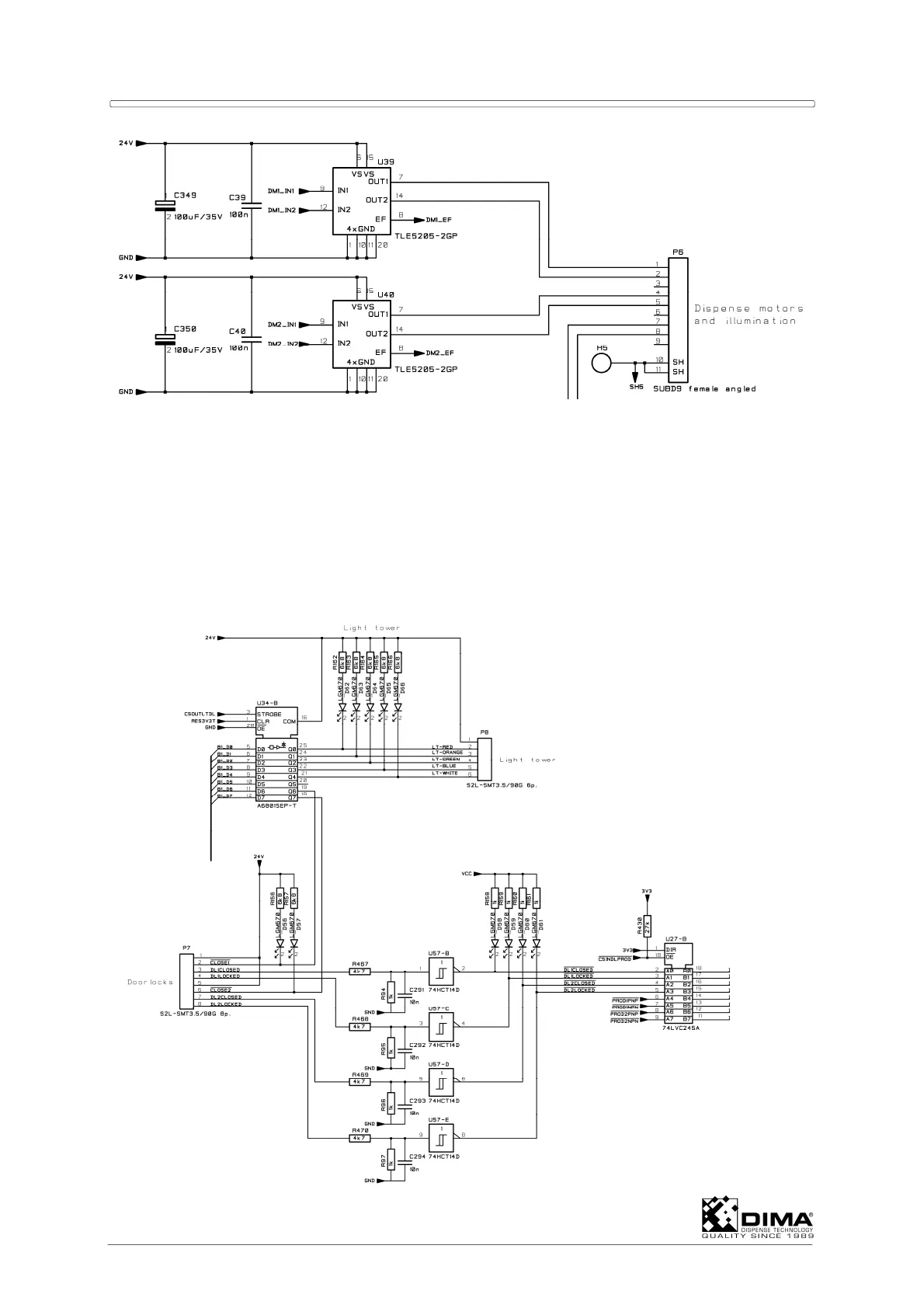
Connector P6 is connected via cable KHC-0100-0408 to connector P7 of the EL-04875
Connection PCB.
See wiring diagram MHC-0200-0315 and MHC-0200-0107 for HC-100 and MHC-0200-0108
for HC-200 for more information.
CONNECTOR P7 FOR DOORLOCKS 1&2 AND P8 FOR LIGHT TOWER
The door locks on the front and back side of the machine are connected to connector P7.
Connector P8 is used for the light tower. Colors blue and white are not used at this moment.
Each output exists of an so called open collector output cable of switching up to 500mA.

Table of Contents

Related product manuals