EasyManua.ls Logo

DIMA HC-200 - Page 151

Default Icon
174 pages
Print Icon
To Next Page IconTo Next Page
To Next Page IconTo Next Page
To Previous Page IconTo Previous Page
To Previous Page IconTo Previous Page
Loading...
HYBRID Coater Service Manual ver1.1 Appendix E
149
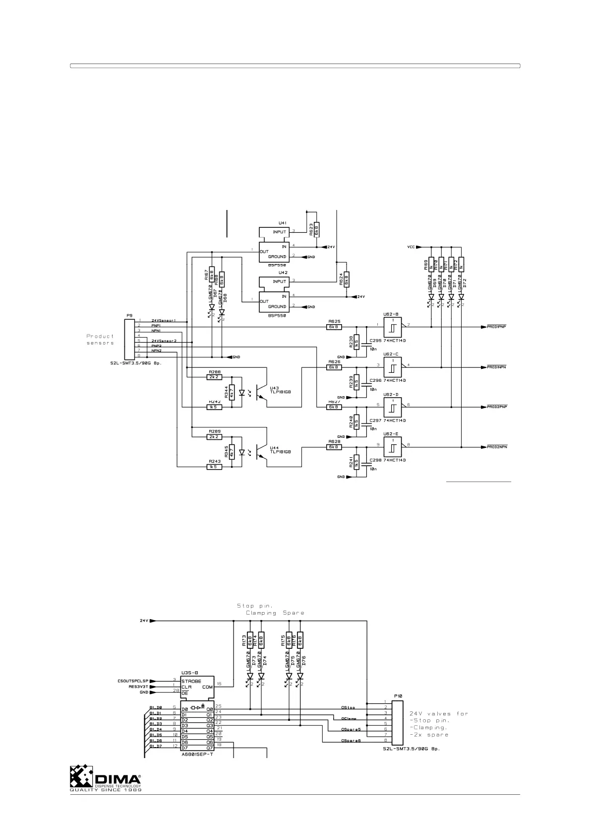
See wiring diagram MHC-0200-0315, MHC-0200-0011, MHC-0200-0018 and MHC-0200-
0028 for more information.
CONNECTOR P9 FOR PRODUCT SENSORS
These inputs are special because the 24Volt can be switched on-off by software. Also
sensors may be used which have a change over contact (PNP and NPN output). On this
connector 2 of such sensors can be used. When a conveyor is present inside the machine
input 1 is used for the product sensor.
See wiring diagram MHC-0200-0315 and drawings of the conveyor option for more
information.
CONNECTOR P10 FOR CONVEYOR OPTIONS AND SPARE
When a conveyor is present the 1
st
output is used to control the valve for the stopping. The
2
nd
one is used to control the valve for product clamping (if present at the conveyor). The last
2 outputs are not used at this moment. Each output exists of an so called open collector
output cable of switching up to 500mA.

Table of Contents

Related product manuals