EasyManua.ls Logo

DIMA HC-200 - Page 154

Default Icon
174 pages
Print Icon
To Next Page IconTo Next Page
To Next Page IconTo Next Page
To Previous Page IconTo Previous Page
To Previous Page IconTo Previous Page
Loading...
Appendix E HYBRID Coater Service Manual ver1.1
152
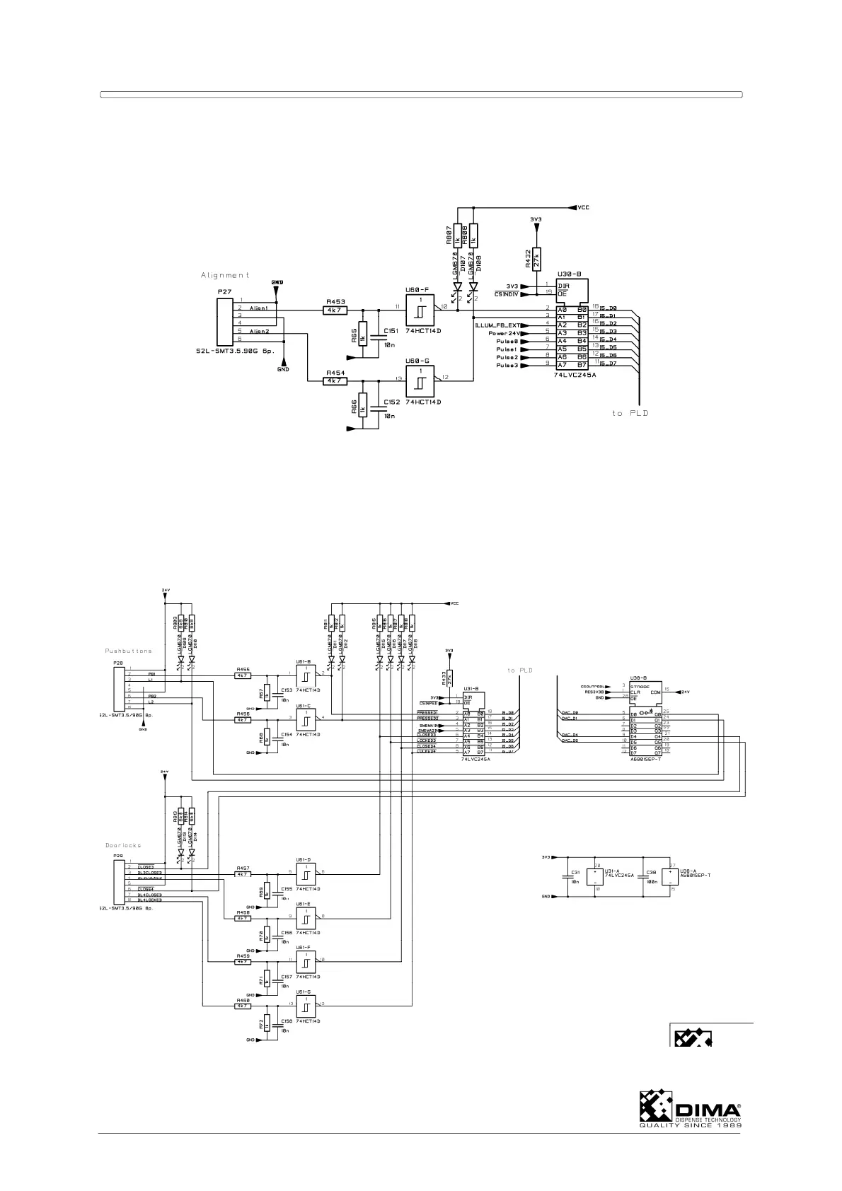
CONNECTOR P27 FOR ALIGNMENT SENSORS
This connector is not used at this moment.
CONNECTOR P28 FOR PUSH BUTTONS AND P29 FOR DOOR LOCKS
This connector is used to connect the push button on the front control panel of the machine.
Connector P29 is not used at this moment.

Table of Contents

Related product manuals