EasyManua.ls Logo

Emerson Commander SX - 14.2.3 - Brake Control in Open Loop Mode

Emerson Commander SX
140 pages
Print Icon
To Next Page IconTo Next Page
To Next Page IconTo Next Page
To Previous Page IconTo Previous Page
To Previous Page IconTo Previous Page
Loading...
107
ADVANCED USER GUIDE
Commander SX
IP66/Nema 4X variable speed drive
MENU 12: THRESHOLD DETECTORS, VARIABLE SELECTORS AND BRAKE CONTROL FUNCTION
CONTROL TECHNIQUES
3854 en - 03.2008 / b
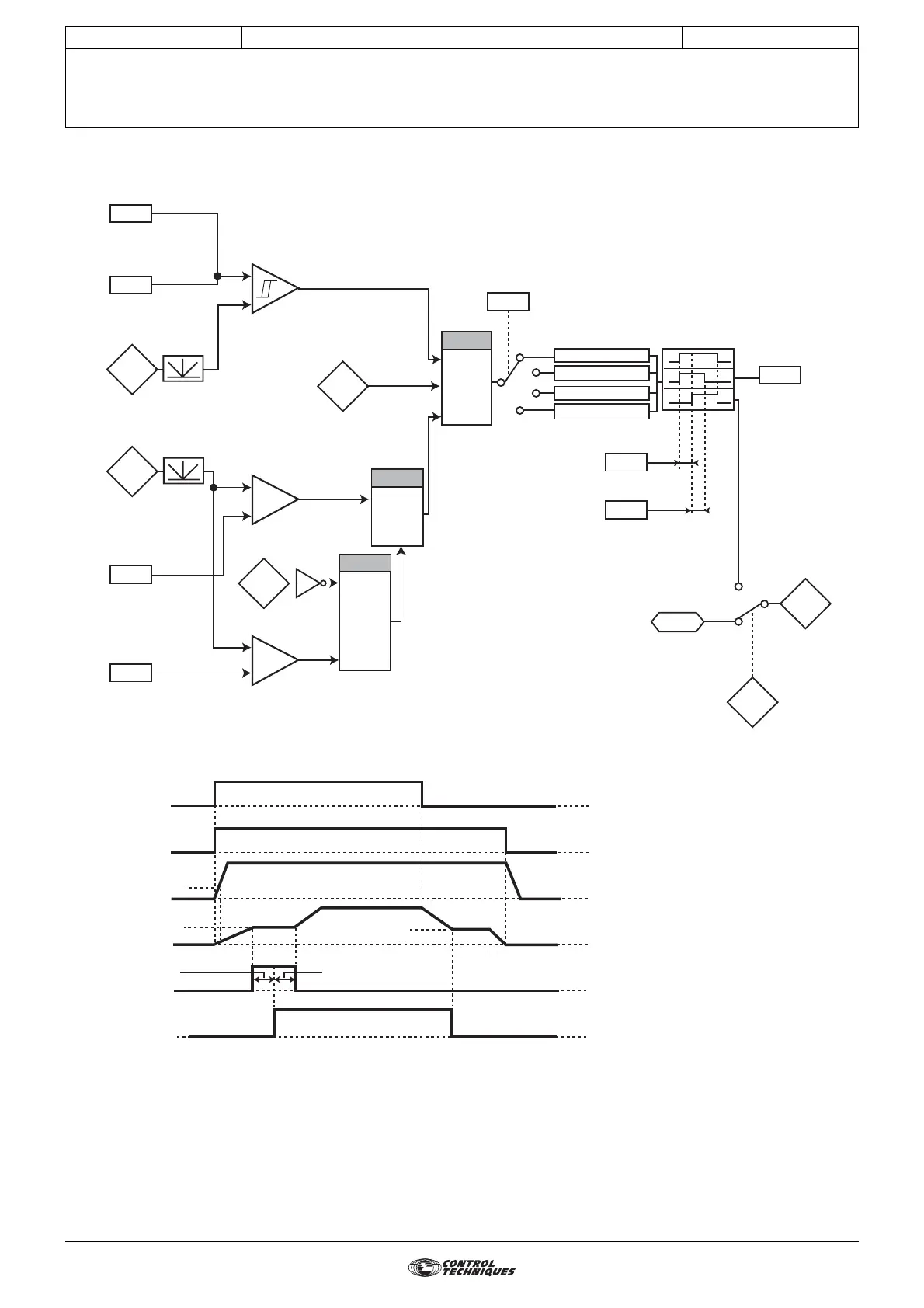
14.2.3 - Brake control in open loop mode
12.44
12.46 12.47
12.45
12.42
Current
magnitude
Output
frequency
Absolute
value
Absolute
value
Drive
active
Reference
enabled
indicator
Upper current
threshold
Lower current
threshold
Brake release
frequency
Brake apply
frequency
Sequencing
0
0
1
1
3
2
Brake
controller enable
Post-brake
release
delay
Manual brake
release
Drive
active
Pre-brake
release delay
Ramp
hold
Brake
release
AND
OUT
IN
IN
LATCH
OUT
ON
OFF
IN
AND
OUT
IN
IN
Disabled
PX - brake option
RL1 relay
Free assignment
Run/stop command (11.01)
Drive output (10.02)
Current (4.01)
Frequency (5.01)
Ramp hold (2.03)
Brake control (12.40)
+
-
+
-
+
-
4.01
1.11
10.02
5.01
12.40
10.02
12.46
2.03
12.47
12.42
12.43
12.41
12.44
12.45
12.51

Table of Contents

Related product manuals