EasyManua.ls Logo

Emerson Commander SX - 10.2 - Menu 8 Diagrams; 10.2.1 - Assignment of Digital Inputs and the Relay Output

Emerson Commander SX
140 pages
Print Icon
To Next Page IconTo Next Page
To Next Page IconTo Next Page
To Previous Page IconTo Previous Page
To Previous Page IconTo Previous Page
Loading...
77
ADVANCED USER GUIDE
Commander SX
IP66/Nema 4X variable speed drive
MENU 8: ASSIGNMENT OF DIGITAL INPUTS AND OUTPUTS
CONTROL TECHNIQUES
3854 en - 03.2008 / b
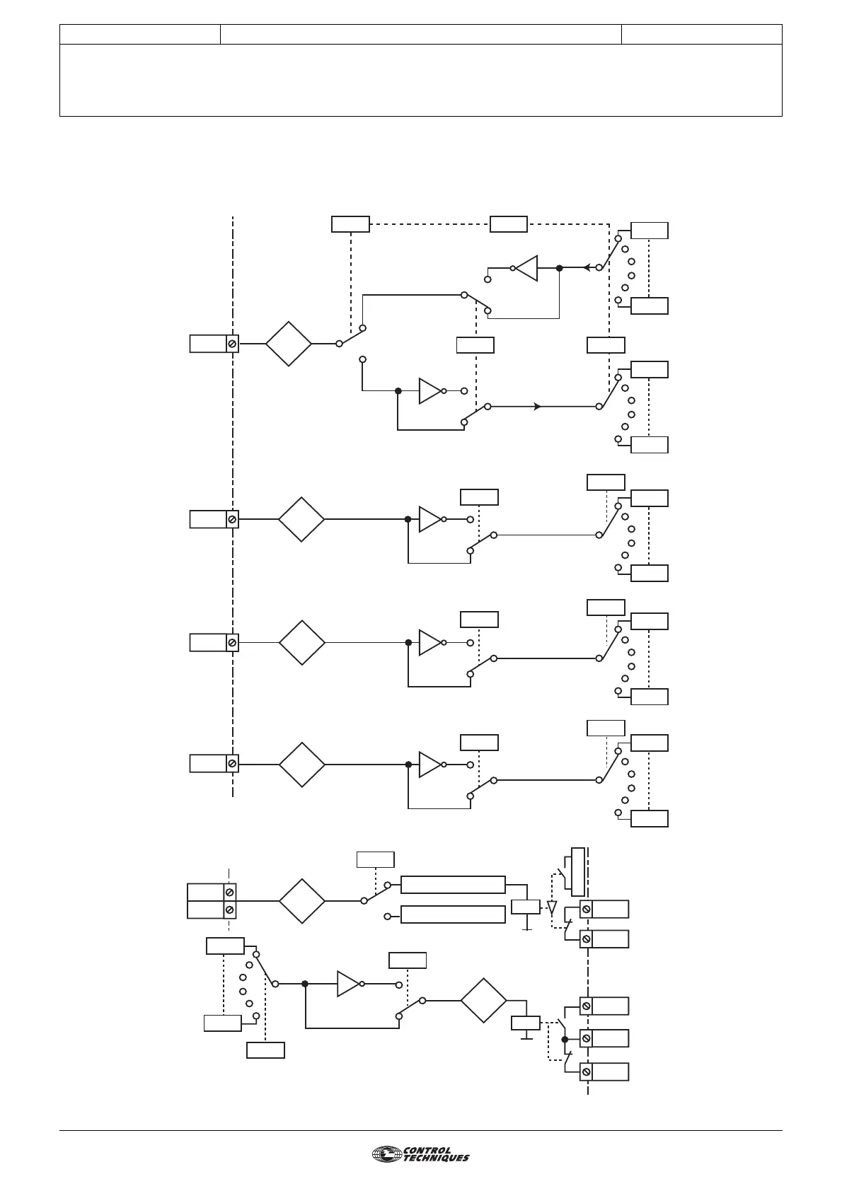
10.2 - Menu 8 diagrams
10.2.1 - Assignment of digital inputs and the relay output
1
0
Destination
DI2 state
Relay output
1
0
1
0
Invert
Relay
status
Digital
input 2
1
0
Destination
DI3 state
Digital
input 3
1
0
Destination
DI4 state
Drive enable
indicator
Digital
input 4
Invert
Drive enable
mode select
Invert
Invert
Source
DIO1
DI2
DI3
DI4
SDI2
SDI1
SDO1
SDO2
RL1O
COM
RL1C
Safety input
redundancy
output
Safety input
Locking input
1
1
1
0
0
0
Input or
output select
DIO1 state
Invert
DIO1
control
Source
or Destination
Digital
input or
output 1
Output
Input
O
P
T
O
8.01
8.02
8.03
8.04
8.09
8.07
8.11
8.12
8.13
8.14
8.27
8.10
8.17
8.24
8.23
8.22
8.31
8.41
8.21

Table of Contents

Related product manuals