EasyManua.ls Logo

Emerson Commander SX - Menu 3 Diagram; Basic Version

Emerson Commander SX
140 pages
Print Icon
To Next Page IconTo Next Page
To Next Page IconTo Next Page
To Previous Page IconTo Previous Page
To Previous Page IconTo Previous Page
Loading...
40
ADVANCED USER GUIDE
Commander SX
IP66/Nema 4X variable speed drive
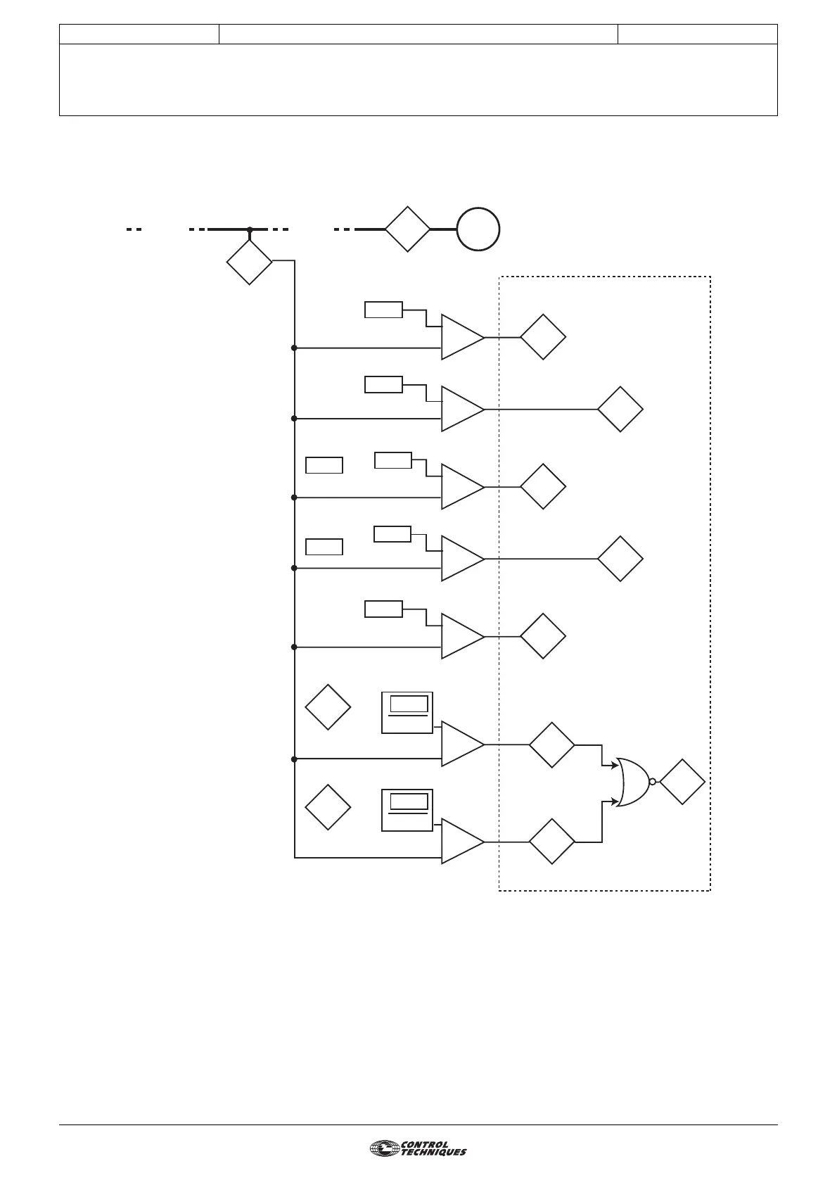
MENU 3: FREQUENCY THRESHOLDS - ENCODER OPTION
CONTROL TECHNIQUES
3854 en - 03.2008 / b
5.2 - Menu 3 diagram
5.2.1 - Basic version
M
Motor
rpm
Motor
Menu 2 Menu 5
Motor
control
At
speed
Reference
Reference
2
Menu 10
Zero
speed
Below set
speed
Above set
speed
At speed
lower limit
At speed
lower limit
Zero speed
threshold
Running at
or below min speed
+
-
Minimum
frequency clamp
+
-
Vmin
alarm
Vmin alarm
threshold
Minimum
frequency
clamp
Vmax
alarm
+
-
Vmax alarm
threshold
+
-
Maximum
speed
Maximum frequency
clamp
+
-
+
-
-
+
2
+
+
Maximum
frequency
clamp
-
-
3.06
3.06
10.03
10.04
10.05
10.07
10.06
1.03
1.03
5.04
5.01
3.05
1.07
10.51
10.52
3.51
1.07
1.06
3.52
10.53
1.06

Table of Contents

Related product manuals