EasyManua.ls Logo

Emerson Commander SX - 4.2.2 - Deceleration Ramps

Emerson Commander SX
140 pages
Print Icon
To Next Page IconTo Next Page
To Next Page IconTo Next Page
To Previous Page IconTo Previous Page
To Previous Page IconTo Previous Page
Loading...
33
ADVANCED USER GUIDE
Commander SX
IP66/Nema 4X variable speed drive
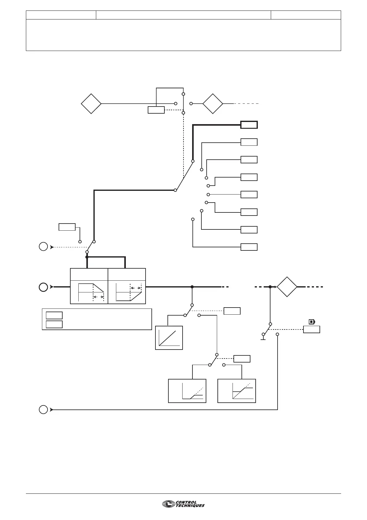
MENU 2: RAMPS
CONTROL TECHNIQUES
3854 en - 03.2008 / b
4.2.2 - Deceleration ramps
1
Deceleration
rate selector
Selection via
digital inputs (Menu 9)
9
1 to 8
0
1
N
Jog
deceleration
rate
Post-ramp
reference
Menu 3
Menu 4
Current
controller
FWD
deceleration
t
N
REV
deceleration
t
Ramp mode select
Standard ramp voltage
Deceleration rate 1
Deceleration rate 2
Deceleration rate 3
Deceleration rate 4
Deceleration rate 5
Deceleration rate 6
Deceleration rate 7
Deceleration rate 8
Ramp hold
Ramp hold
condition
Ramp by-pass
( )
0
1
0
1
0
0
1
2
3
4
5
6
7
8
Menu 1
A
B
C
V min
00
2.01
2.29
2.04
2.03
2.51
2.02
2.08
2.21
2.22
2.23
2.24
2.25
2.26
2.27
2.28
1.50
9.32
2.20

Table of Contents

Related product manuals