EasyManua.ls Logo

Emerson Commander SX - 8.2 - Menu 6 Diagrams; 8.2.1 - Programmable Logic

Emerson Commander SX
140 pages
Print Icon
To Next Page IconTo Next Page
To Next Page IconTo Next Page
To Previous Page IconTo Previous Page
To Previous Page IconTo Previous Page
Loading...
62
ADVANCED USER GUIDE
Commander SX
IP66/Nema 4X variable speed drive
MENU 6: PROGRAMMABLE LOGIC AND TIMERS
CONTROL TECHNIQUES
3854 en - 03.2008 / b
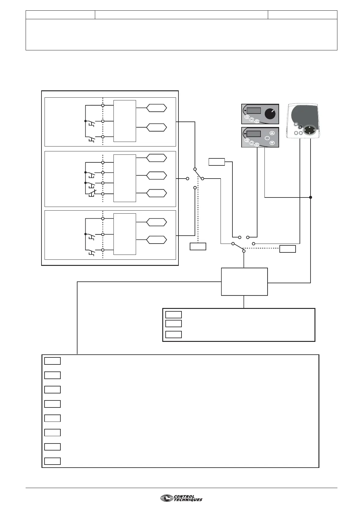
8.2 - Menu 6 diagrams
8.2.1 - Programmable logic
M
Overriding
Start/Stop
+24V
Run
Forward/Stop
Run
Reverse/Stop
DI2
DI3
MENU 8
Commands from the terminals
+24V
DIO1
DI2
DI3
MENU 8
+24V
DI2
DI3
MENU 8
2
1
0
1
2
3
0
Stop mode
Mains loss mode
Injection braking level
Injection braking time
Hold zero speed
Catch a spinning motor
Enable reduced-voltage operation
Drive output
Run Reverse
Run Forward
Stop
Run/Stop
Reverse
direction
Commands
from LCD console
Commands
from keypad
Control
word
Start/stop
logic select
Control word
enable
START/STOP
LOGIC
SELECT
Enable forward key
Enable stop key
Enable reverse key
6.30
6.32
6.30
6.32
6.39
6.34
6.33
6.42
6.01
6.03
6.06
6.07
6.08
6.09
6.10
6.15
6.11
6.12
6.13
6.04
6.43

Table of Contents

Related product manuals