EasyManua.ls Logo

Emerson Commander SX - Menu 2 Diagrams; Acceleration Ramps

Emerson Commander SX
140 pages
Print Icon
To Next Page IconTo Next Page
To Next Page IconTo Next Page
To Previous Page IconTo Previous Page
To Previous Page IconTo Previous Page
Loading...
32
ADVANCED USER GUIDE
Commander SX
IP66/Nema 4X variable speed drive
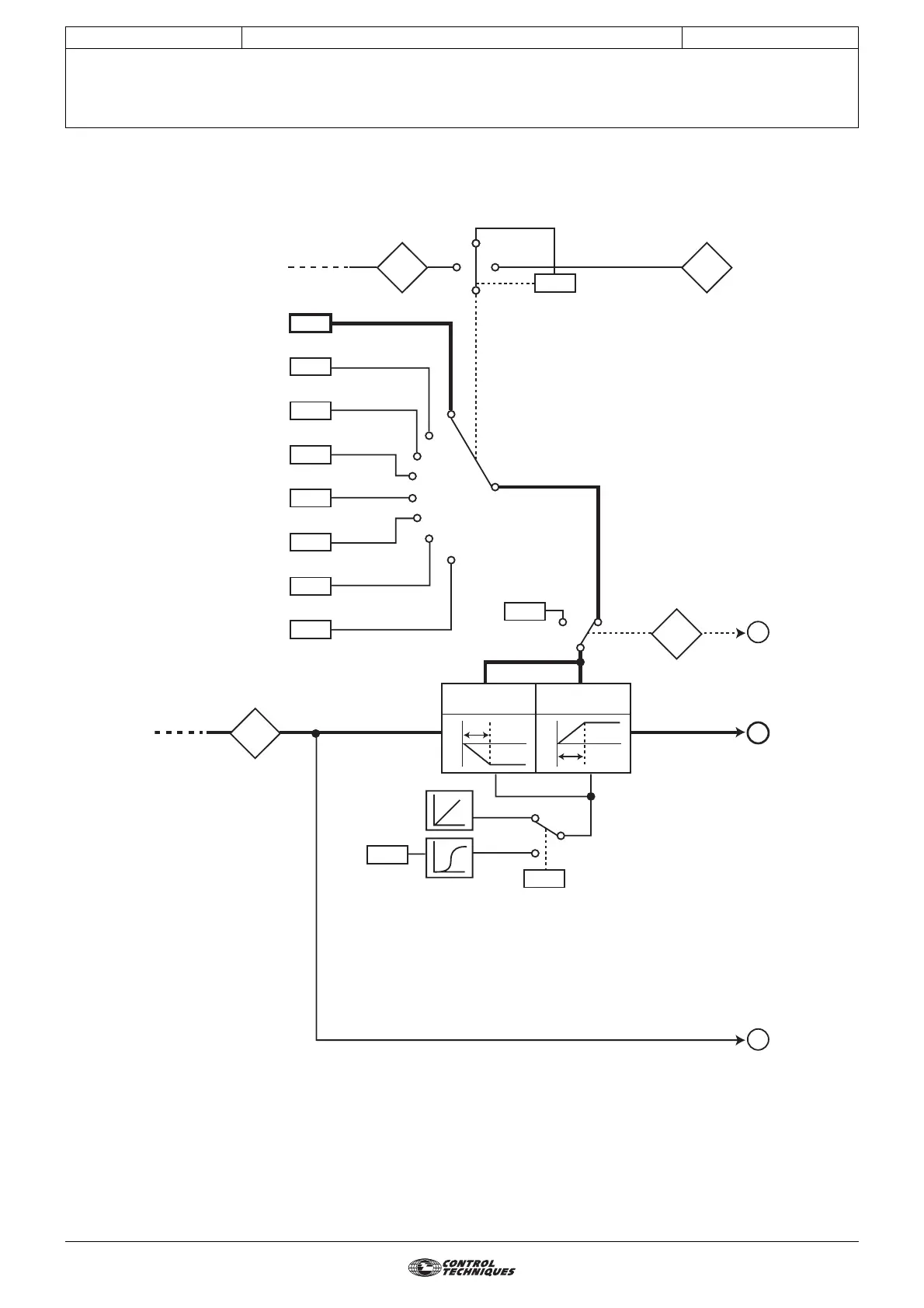
MENU 2: RAMPS
CONTROL TECHNIQUES
3854 en - 03.2008 / b
4.2 - Menu 2 diagrams
4.2.1 - Acceleration ramps
Pre-ramp
reference
N
Acceleration
rate selector
Selection via
digital inputs (Menu 9)
Menu 1
Menu 1
Jog selected
indicator
S ramp
acceleration
limit
S ramp
enable
Menu 1
Jog
acceleration
rate
Acceleration rate 1
Acceleration rate 2
Acceleration rate 3
Acceleration rate 4
Acceleration rate 5
Acceleration rate 6
Acceleration rate 7
Acceleration rate 8
9
1 to 8
0
REV
acceleration
t
1
1
N
FWD
acceleration
t
0
0
A
B
C
1
2
3
4
5
6
7
8
2.11
2.12
2.19
2.07
2.06
2.13
2.10
2.14
2.15
2.16
2.17
2.18
1.50
1.03
1.13
9.32

Table of Contents

Related product manuals