EasyManua.ls Logo

Emerson unidrive sp - SM-SLM Logic Diagram

Emerson unidrive sp
420 pages
To Next Page IconTo Next Page
To Next Page IconTo Next Page
To Previous Page IconTo Previous Page
To Previous Page IconTo Previous Page
Loading...
Menus 15 to 17
SM-SLM
Parameter
structure
Keypad and
display
Parameter
x.00
Parameter
description format
Advanced parameter
descriptions
Macros
Serial comms
protocol
Electronic
nameplate
Performance RFC mode
344 Unidrive SP Advanced User Guide
www.controltechniques.com Issue Number: 10
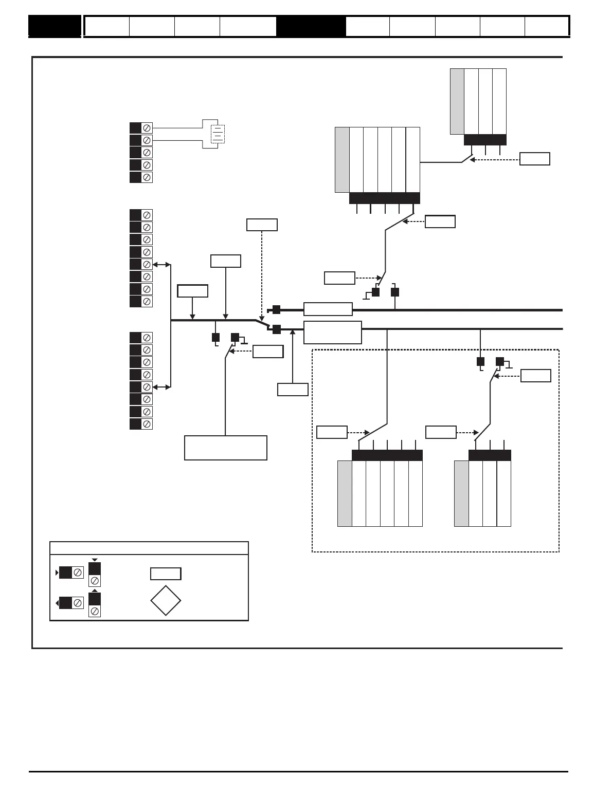
Figure 5-38 SM-SLM logic diagram
1
2
3
4
5
6
7
8
RS485 DriveLink COM
RS485 DriveLink COM/
Drive status
Enable (SLM)
24Vdc (SLM)
Isolated 0V (SLM)
Not connected
Not connected
1
2
3
4
5
6
7
8
RS485 DriveLink COM
RS485 DriveLink COM/
Drive status
Enable (SLM)
Not connected
Isolated 0V (SLM)
24Vdc (SLM)
Not connected
5
4
3
2
1
Isolated 0V / screen (SLM)
Battery 24Vdc input
Isolated 0V / screen (SLM)
Not used
Not used
5-way terminal
RJ45 MC port
RJ45 SLM port
Back-up battery
connection
(if required)
x.07
x.10
Encoder
lines
per rev
1
0
Operating
mode
Host mode
Encoder only
mode
1
0
Pr = 8kHz
Pr = SM-SLM slot
5.18
3.26
x.30
Auto basic
drive set-up
x.12
SLM power-
up delay
1
2
3
4
0
Read data from SLM
EEPROM
(CT Coder)
Idle
Idle
Idle
Reset
Encoder only mode
x.26
Autotune
mode
1
0
x.29
Action save to
SLM EEPROM
(CT Coder)
1
2
0
Idle
High performance
Encoder only mode
Normal
performance
x.27
Saving
mode
1
0
x.29
1
2
3
4
0
Idle
Pulse test tuning
Full tuning
Reset
Host mode
Action
autotune
and saving
parameters
x.26
Autotune
mode
Parameters valid or
set externally
0
High performance
Normal
performance
x.28
Parameters
transferred
12
Host mode
Normal
performance
0.XX
0.XX
Key
Read-write (RW)
parameter
Read-only (RO)
parameter
Input
terminals
Output
terminals
X
X
X
X
The parameters are all shown in their default settings
4.11
Torque
mode
selector
SAVE

Table of Contents

Related product manuals