EasyManua.ls Logo

EUCHNER MSC - Page 100

EUCHNER MSC
174 pages
Print Icon
To Next Page IconTo Next Page
To Next Page IconTo Next Page
To Previous Page IconTo Previous Page
To Previous Page IconTo Previous Page
Loading...
Operating Instructions
Modular Safety Control System MSC
100
(Translation of the original operating instructions) 2121331-04-04/19
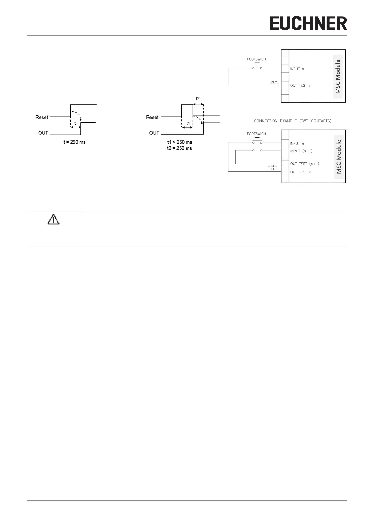
Manual Monitored
Figure 97: Safety footswitch manual/monitored reset Figure 98: Connection examples, safety
footswitch
Important!
If manual reset is selected, the next input after the inputs used by the function block must be used.
Example: If Input1 and Input2 are used for the function block, Input3 must be used for the reset input.
Output Test: Using this option you can select which test output signals are to be sent to the component contacts. Short
circuits between the wires can be detected and rectified by means of this additional check. For this purpose it is necessary
to configure the test output signals (from the test output signals available).
StartUp Test: If selected, the test is undertaken on switching on the external components. This test is undertaken by pressing
and releasing the footswitch to carry out one complete function test and to activate the output. This test is only requested
on starting the machine (on switching on the module).
Filter (ms): This parameter makes it possible to filter the signals that are received from the external contactors. This filter
can be set to between 3 and 250 ms and removes any contact bounce. The time set for the filter affects the calculation of
the total response time of the module.
With Simultaneity: If selected, the simultaneous switching of the signals received from the external contacts is checked.
Simultaneity (ms): This control is only available if the previous parameter has been selected. Using this value you can specify
the maximum time (in ms) between the switching of the two different signals from the external contacts.
Enable Error Out: If selected, an error detected by the function block is displayed.
Item Description: Here you can enter a functional description for the component. This text is displayed in the upper part of
the symbol.

Table of Contents

Other manuals for EUCHNER MSC