EasyManua.ls Logo

Fuji Electric FRENIC MEGA G2 Series - 2.2 Wiring

Fuji Electric FRENIC MEGA G2 Series
970 pages
To Next Page IconTo Next Page
To Next Page IconTo Next Page
To Previous Page IconTo Previous Page
To Previous Page IconTo Previous Page
Loading...
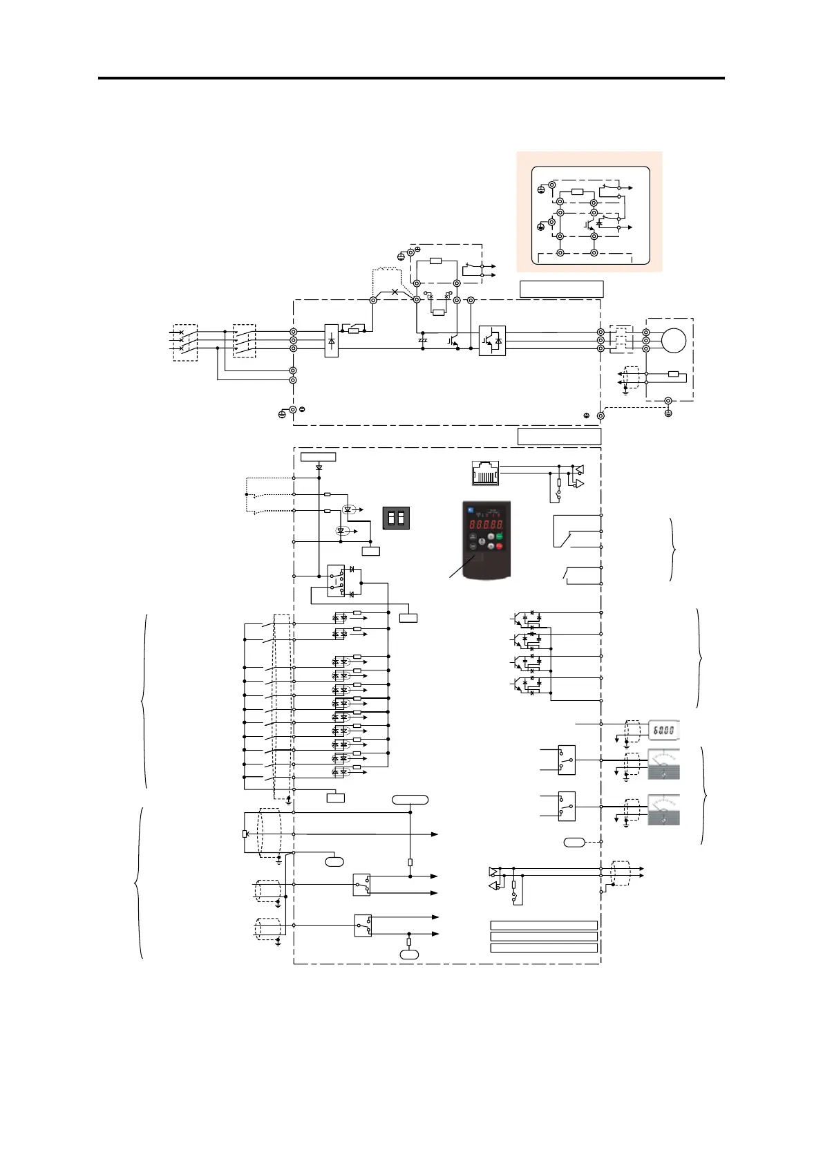
2.2 Wiring
2-4
2.2 Wiring
2.2.1 Basic connection diagrams
Pulse output
FMP
CM
Voltage output
(0 to ±10 V DC)
PLC
FWD
REV
X1
X2
X3
X4
X5
CM
EN1
SINK
SOURCE
EN2
0V
+24VDC
FM1
11
0V
Data transfer/receipt
DX+
DX-
SW2
SW1
Analog input/output common
SW4
IO1
VO1
11
12
13
+10VDC
0V
3
2
1
X6
X7
X8
X9
V2
(+)
(-)
V2
SW5
PTC/NTC
Braking resistor (DBR)
DC reactor
(DCR)
DB N(-)
P(+)
P1
U
V
W
U
V
W
M
3
L1/R
L2/S
L3/T
Magnetic
contactor
(MC)
Circuit breaker
(MCCB) or earth
leakage circuit
breaker (ELCB)
Power supply
200 V system
200 to 240 V
50/60 Hz
400 V system
380 to 480 V
50/60 Hz
G
P DB
2
1
(CM)
(THR)
(G)
Thermistor
to[11]
to[V2]
Thermal
overload
relay
)
R0
T0
Control power
auxiliary input
G
E
Gro unding terminal
Motor
Variable resistor power supply
RJ-45 connector for keypad
SW3
RS-485
communicati
on port 1
USB connector
RS-485
communication
port 2
(terminal block)
(SD)
Voltage output
(0 to ±10 V DC)
FM2
Current output
(4(0) to 20 mA DC)
IO2
VO2
SW6
Analog meter
11
11
Run forward command
Run reverse command
Multistep frequency selection
(0 to 1 step)
Multistep frequency selection
(0 to 3 step)
Multistep frequency selection
(0 to 7 step)
Digital input common
Multistep frequency selection
(0 to 15 step)
Acceleration/deceleration time
selection (2 steps)
Acceleration/deceleration time
selection (4 steps)
Self-hold selection
Coast to stop command
Alarm (error) reset
Enable
(STO) inpu t
Control circuit
Main circuit
Grounding
terminal
*1
*2
*3
*5
*6
*7
*8
*11
*11
*11
*11
*11
*11
*9
*12
C1
(+)
(-)
Y3
Y4
CMY
30C
30B
30A
Batch alarm output
Y5C
Y5A
AX terminal function
Y2
Y1
Runnin g
Motor overload warning
Common termina l
Freque ncy (speed) arrival
Frequency (speed) detection
*9
*9
Analog meter
CM
V3
SW8
C1
0V
DBR
N(-)P(+)
DB
2
1
(CM)
(G)
2
1
(THR)
(+)
N(-)
Braking resistor
Braking unit
(BU)
(G)
(+)R
DB
*6
*13
*15
*15
*15
SW7
DBR
ON
*12
+
OFF
0V
0V
*15
PLC
Digital input
Analog input
Voltage input for setting
0 to ±10 V DC
Voltage input for setting
0 to ±10 V DC
PTC/NTC input
Voltage input for setting
0 to ±10 V DC
Analog input/output common
Current input for setting
4(0) to 20 mA DC
Option card connection connector A
Option card connection connector B
Option card connection connector C
Analog output
Curren t output
(4(0) to 20 mA DC)
Transistor output
Contact output
*15*11
*15
*16
Fig. 2.21 Basic connection diagram

Table of Contents

Related product manuals