EasyManua.ls Logo

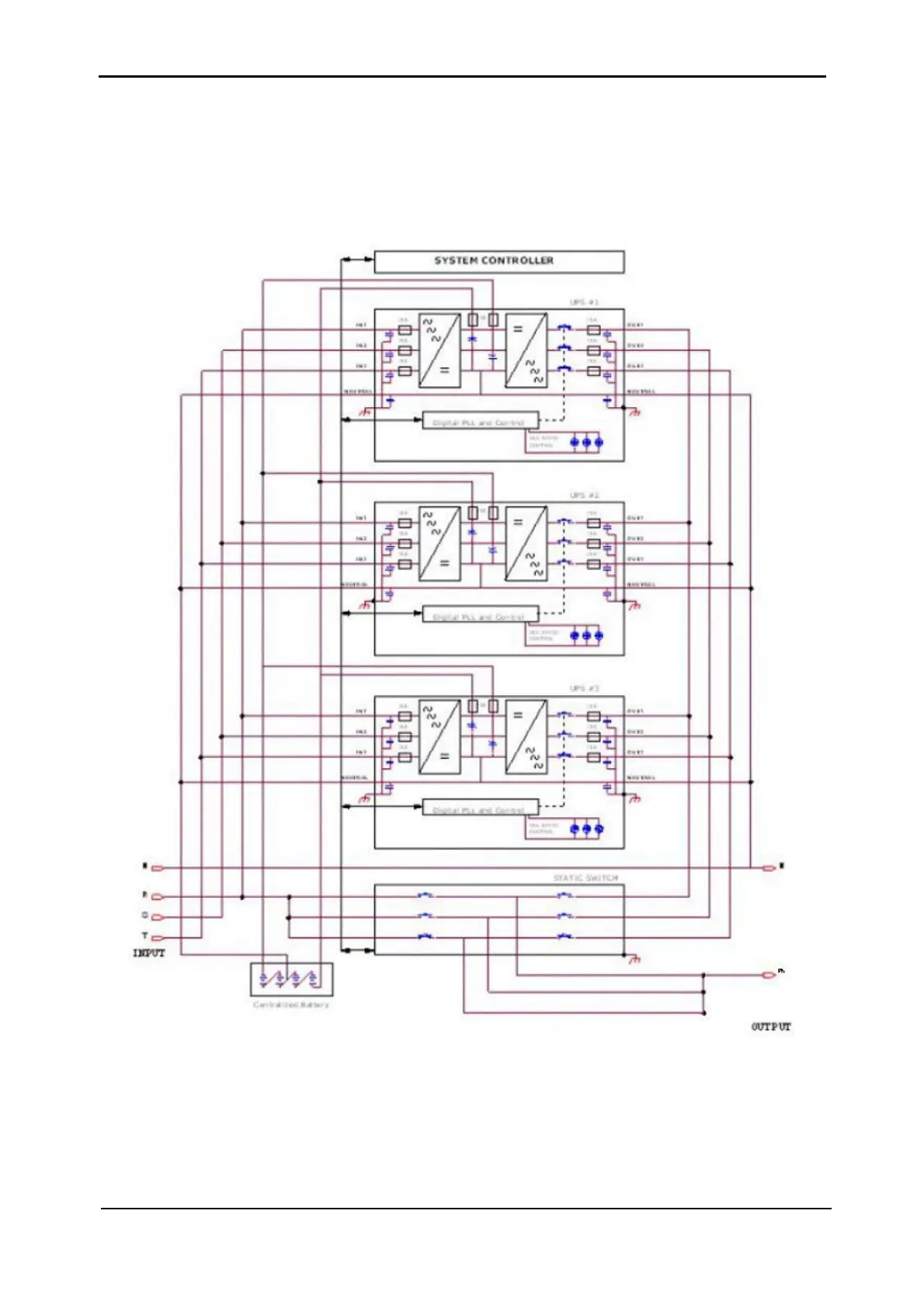
Gamatronic POWER PLUS - Internal System Wiring; Figure 3-2: Schematic of a 3:1 Phase 30 Kva POWER+ System

Gamatronic POWER PLUS
114 pages
Print Icon
To Next Page IconTo Next Page
To Next Page IconTo Next Page
To Previous Page IconTo Previous Page
To Previous Page IconTo Previous Page
Loading...
Gamatronic Electronic Industries Ltd.
16 Power+ Technical Guide
3.1 INTERNAL SYSTEM WIRING
The cabling and wiring of a 30kVA Power+ system are illustrated in schematics in Figure 3-2
(single-phase output) and
Figure 3-3 (3-phase output) below.
Figure 3-2: Schematic of a 3:1 Phase 30kVA POWER+ System
Note: For use with single-phase input, all 3 phases of each AC input are connected together
internally inside the cabinet. REFER TO SINGLE-PHASE OUTPUT INSTRUCTIONS.

Table of Contents

Related product manuals