EasyManua.ls Logo

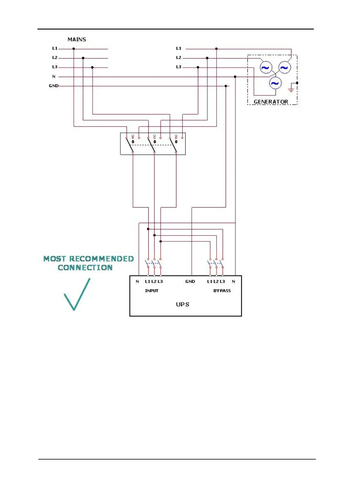
Gamatronic POWER PLUS - Figure 3-8: Preferred Generator (Neutralized) and Connection (3-Pole)

Gamatronic POWER PLUS
114 pages
Print Icon
To Next Page IconTo Next Page
To Next Page IconTo Next Page
To Previous Page IconTo Previous Page
To Previous Page IconTo Previous Page
Loading...
Gamatronic Electronic Industries Ltd.
Power+ Technical Guide 23
Figure 3
Figure
3-8: Preferred generator (neutralized) and connection (3-pole)

Table of Contents

Related product manuals