EasyManua.ls Logo

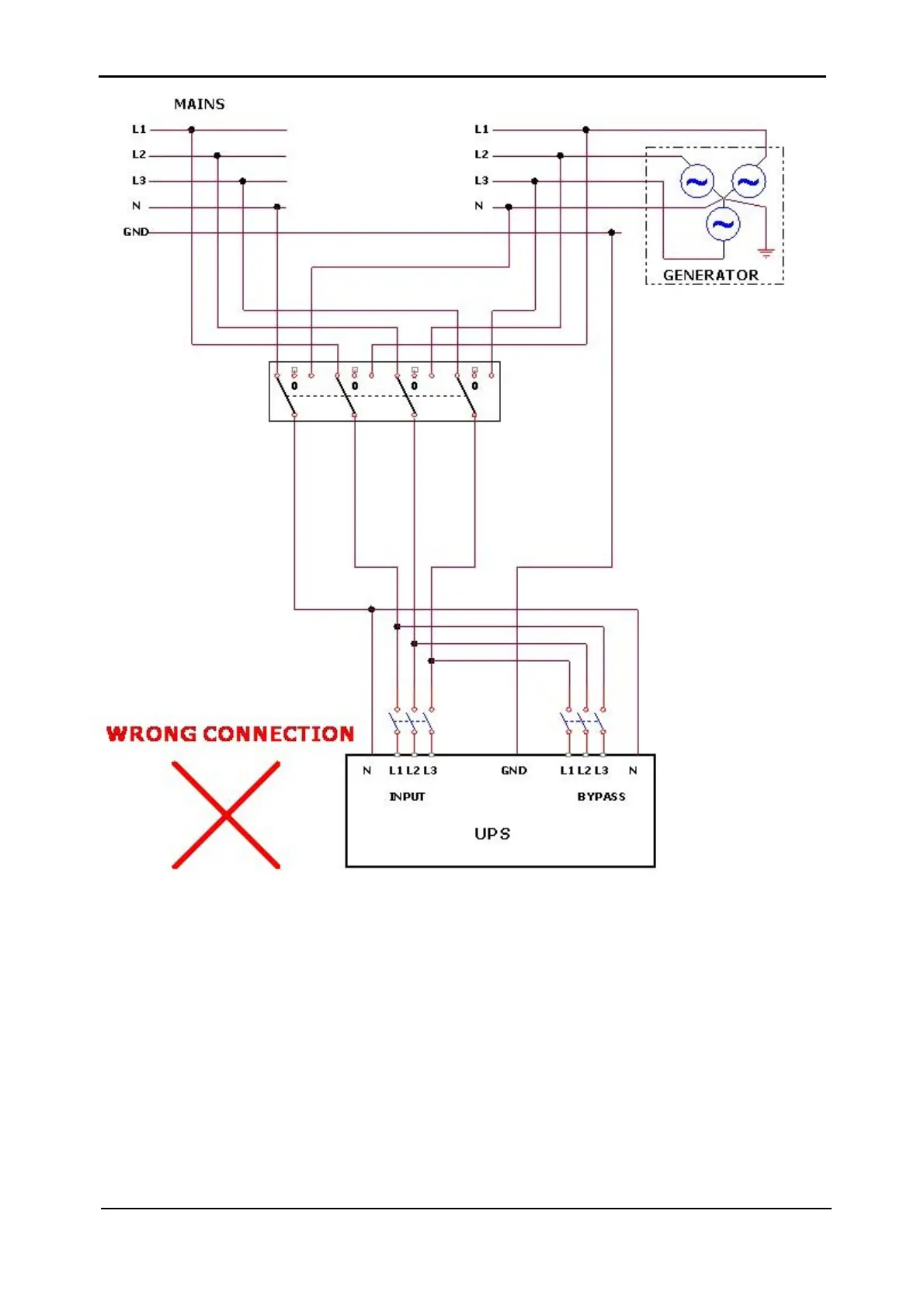
Gamatronic POWER PLUS - Figure 3-6: Wrong Way to Connect UPS with Grounded-Neutral-Generator

Gamatronic POWER PLUS
114 pages
Print Icon
To Next Page IconTo Next Page
To Next Page IconTo Next Page
To Previous Page IconTo Previous Page
To Previous Page IconTo Previous Page
Loading...
Gamatronic Electronic Industries Ltd.
Power+ Technical Guide 21
Figure
3-6: Wrong way to connect UPS with grounded-neutral-generator

Table of Contents

Related product manuals