EasyManua.ls Logo

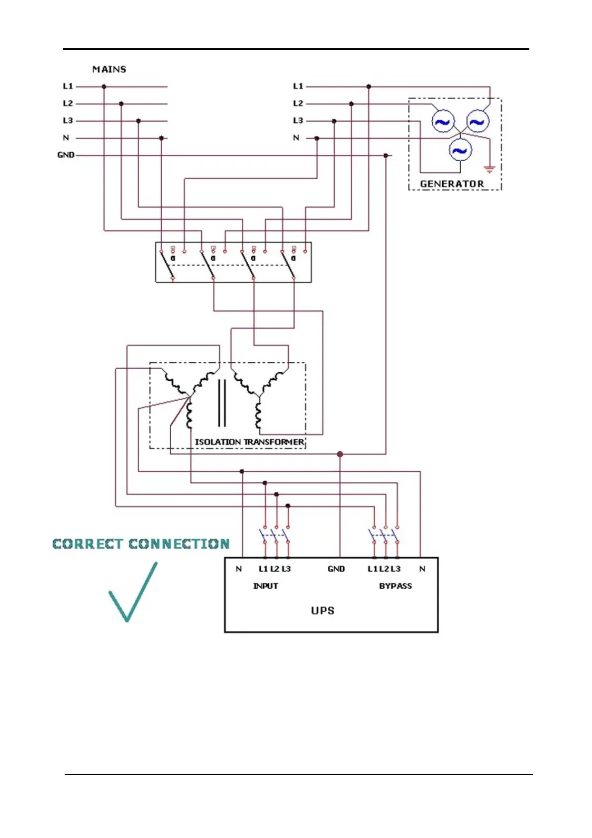
Gamatronic POWER PLUS - Figure 3-7: Acceptable Connection for Grounded Generator and 4-Pole Switch

Gamatronic POWER PLUS
114 pages
Print Icon
To Next Page IconTo Next Page
To Next Page IconTo Next Page
To Previous Page IconTo Previous Page
To Previous Page IconTo Previous Page
Loading...
Gamatronic Electronic Industries Ltd.
22 Power+ Technical Guide
Figure
3-7: Acceptable connection for grounded generator and 4-pole switch

Table of Contents

Related product manuals