EasyManua.ls Logo

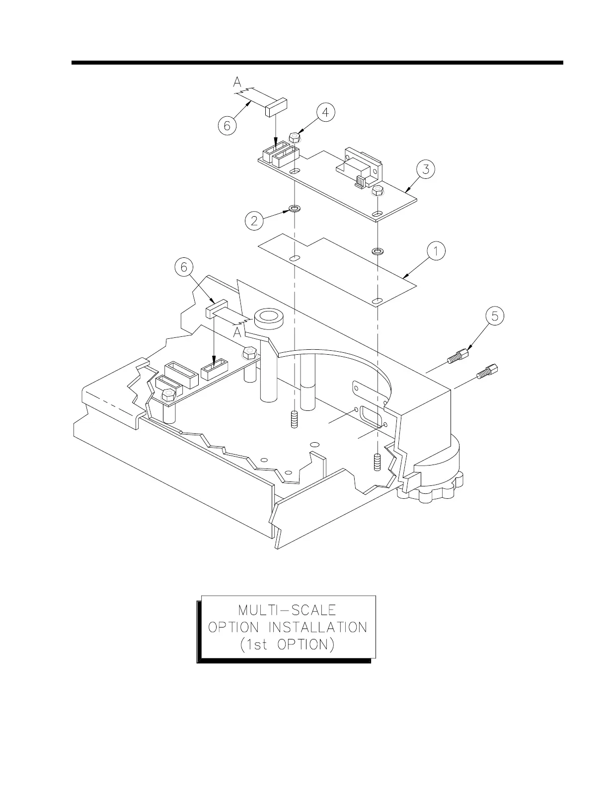
GSE 574 - Figure 34 Multi-Scale First Option Card Installation

Default Icon
339 pages
Print Icon
To Next Page IconTo Next Page
To Next Page IconTo Next Page
To Previous Page IconTo Previous Page
To Previous Page IconTo Previous Page
Loading...
Model 574 Programmable Counting System (PCS)
234 - GSE Scale Systems
Figure 34 Multi-Scale First Option Card Installation

Table of Contents