EasyManua.ls Logo

Harris FR6822+ - Signal Flow

Harris FR6822+
128 pages
Print Icon
To Next Page IconTo Next Page
To Next Page IconTo Next Page
To Previous Page IconTo Previous Page
To Previous Page IconTo Previous Page
Loading...
FR6822+ Frames
Installation and Operation Manual
7
Copyright © 2008-2011, Harris Corporation
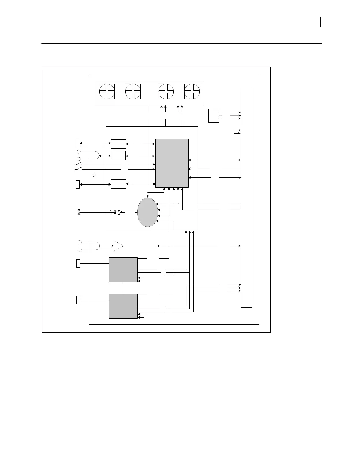
Signal Flow
Figure 1-6 FR6822+ Signal Flow Diagram
Genlock
Loopthru
Alarm GPI
Relay
Status
Bus
Genlock
Video
Alarm
Bus
Ground
+6 . 8 V
Comm
Bus
Relay
Drive
Mains Inlet 1
Mains Inlet 2
Powersupply 2
(right)
PSU 1 Fail
Resource
Module
CPU Core
Midplane PCB
Alarm
Logic
Fan
Pow er
Slot ID
Slot ID
Slot ID
Coded
for
each
slot
LED
Drives
-6.8V
Frame ID0
Frame ID1
Powersupply 1
(left)
Current
share
Fan
Tachs (4)
Buffered Genlock
Video
Front Door
Resource Module
LCN Control
Loopthru
LC
N
LCN xcvr
Frame ID
UART to
USB
Convertor
USB Type -B
Connector
232 /
422
Ethernet
Physical
RJ-45
Jack
Frame
ID0
Frame
ID1
Highspeed
Bus
Aux
Comms
Frame ID1
Frame ID0
Frame ID0
Frame ID1
PSU 2 Fail
Gnd
-6.8V
+6.8V
-6.8V
+6.8V
Gnd

Table of Contents