EasyManua.ls Logo

IAI SCON-CA - Page 289

IAI SCON-CA
370 pages
Print Icon
To Next Page IconTo Next Page
To Next Page IconTo Next Page
To Previous Page IconTo Previous Page
To Previous Page IconTo Previous Page
Loading...
Chapter 10 Appendix
279
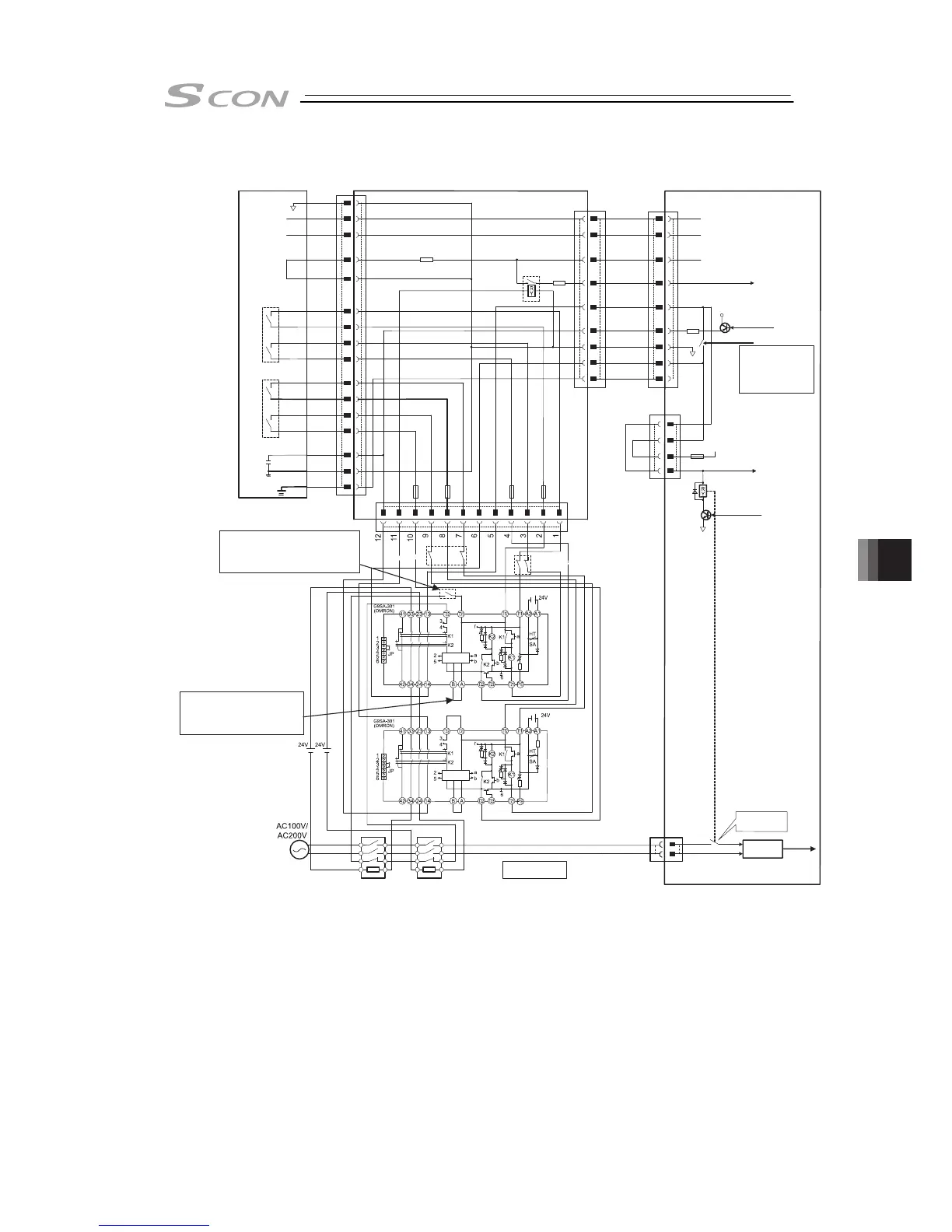
Detailed category 3 or 4 circuit example
SG
SGA
SGB
RTS
CTS
EMG1-
EMG1+
EMG2-
EMG2+
EMB1-
EMB1+
EMB2-
EMB2+
DC24V+
DC24V-
EMBOUT
EMBIN
EMB2+
EMB2-
EMB1+
EMB1-
EMGOUT
EMGIN
EMG2+
EMG2-
EMG1+
EMG1-
1
2
3
4
5
6
7
8
9
1
2
3
4
System I/O
Connector
DC Bus
L1
L2
E24V
*EMGSTR
EMGRYRLS
EMGSTR
VP24
SCON
TP Connection Detecting
TP Detection
T24V…Output
Bypass relay…OPEN
TP Not Detected
T24V…Not Output
Bypass relay…CLOSE
TP
Emergency Stop SW
Enable SW
Shell
1
2
3
13
14
9
12
6
5
23
24
25
22
7
26
Motor Power
Cutoff Relay
Regulator
RCB-LB-TGS
SGA
SGB
EMGA
T24V
EMGB
1
2
3
4
5
6
7
8
9
5V
+
Reset SWEnable SW
Emergency Stop SW
Emergency Stop SW
Reset SW
Control
Circuit
Control
Circuit
Solenoid Contactor Solenoid Contactor
External Emergency
Stop Circuit category 4
For Category 4, insert Reset
Switch as shown in the diagram.
For Category 3, layout the wiring
without inserting Reset Switch.
For Category 4, make the
connection of A and B open.
For category 3, make a short
circuit between A and B.
(Note 1)
(Note 1)
Note 1 There is no bypath relay on TP terminals or motor power cutoff relay equipped to
SCON-CGAL.

Table of Contents

Other manuals for IAI SCON-CA

Related product manuals