EasyManua.ls Logo

Kalmar DCE80-100E - Control Valve for Servo Control

Kalmar DCE80-100E
317 pages
Print Icon
To Next Page IconTo Next Page
To Next Page IconTo Next Page
To Previous Page IconTo Previous Page
To Previous Page IconTo Previous Page
Loading...
DCE80-100E
Technical Handbook
Main valve
Description
36
P.Group 70
TDCE01
04GB
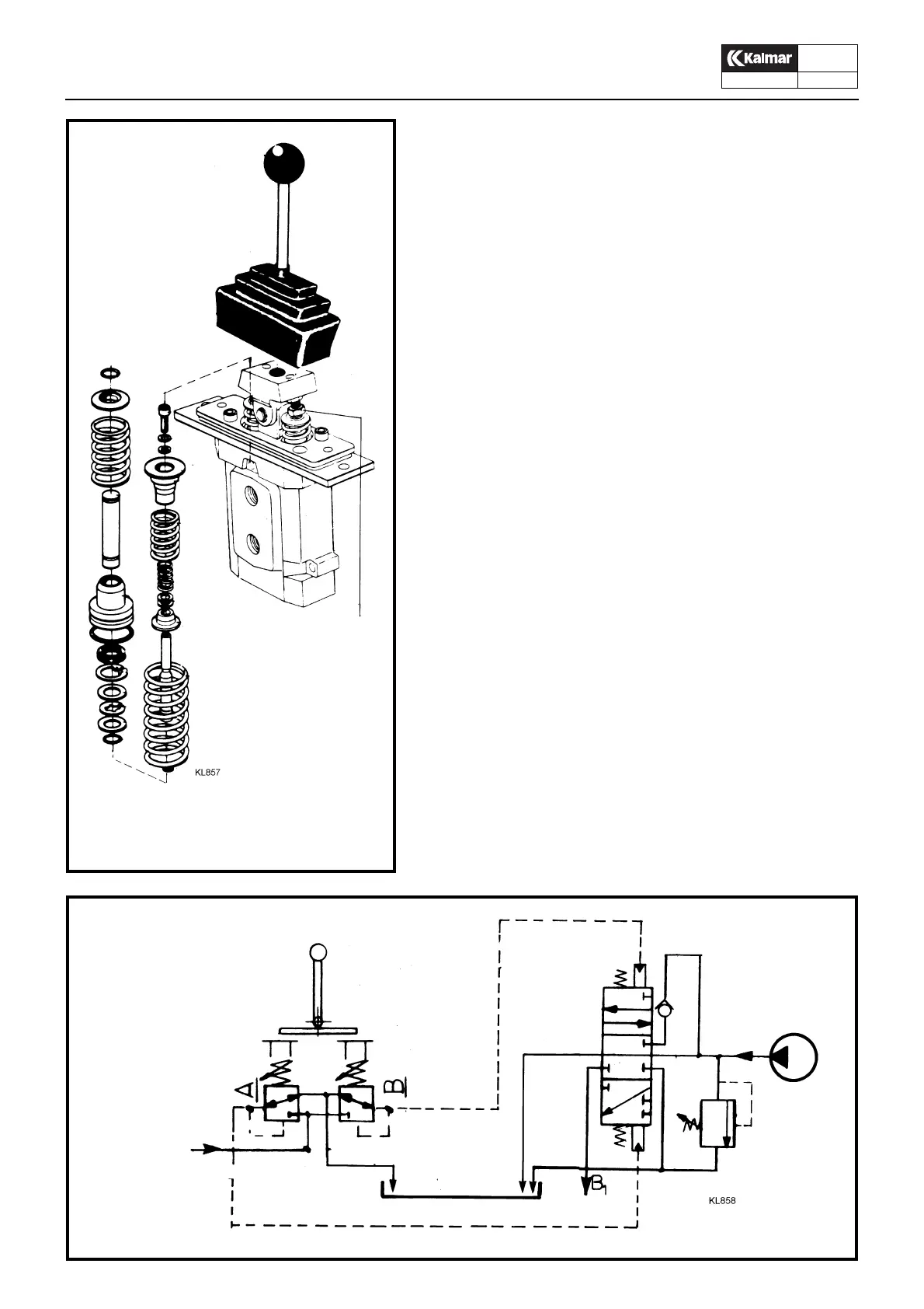
Control valve for servo control of the main valve
The control valves are integrated into a block, and the number of
valves corresponds to the number of functions of the truck.
Each valve or section is equipped with two pressure reducing
valves. The valve spools are hardened and precision-ground to
minimize any internal leakage.
The control forces are low, and the valve travel is proportional to
the lever travel, which ensures smooth control of the main hy-
draulics.
Control valve
1
2
1. Adjusting screw for lever travel
2. Pressure reducing valve
Servo control of the lifting section
2
3
1
1. Servo pressure 35 bar
2. Reservoir
3. Lifing

Table of Contents

Related product manuals