EasyManua.ls Logo

Kalmar DCE80-100E - Hydraulic System A46141.0100

Kalmar DCE80-100E
317 pages
Print Icon
To Next Page IconTo Next Page
To Next Page IconTo Next Page
To Previous Page IconTo Previous Page
To Previous Page IconTo Previous Page
Loading...
DCE80-100E
Technical Handbook
Sidelift, hooks, type C
Service
32
P.Group 80
TDCE01
04GB
A46141.0100
BA
BA
B
AB
A
T1
P1
PS
TPB
P2B
T2B
T3B
LSPB
16
17
18
19
6
5
13
15
14
8
1
2
3
4
8
8
8
7
3
11
3
2
2
2
12
10
10
9
9
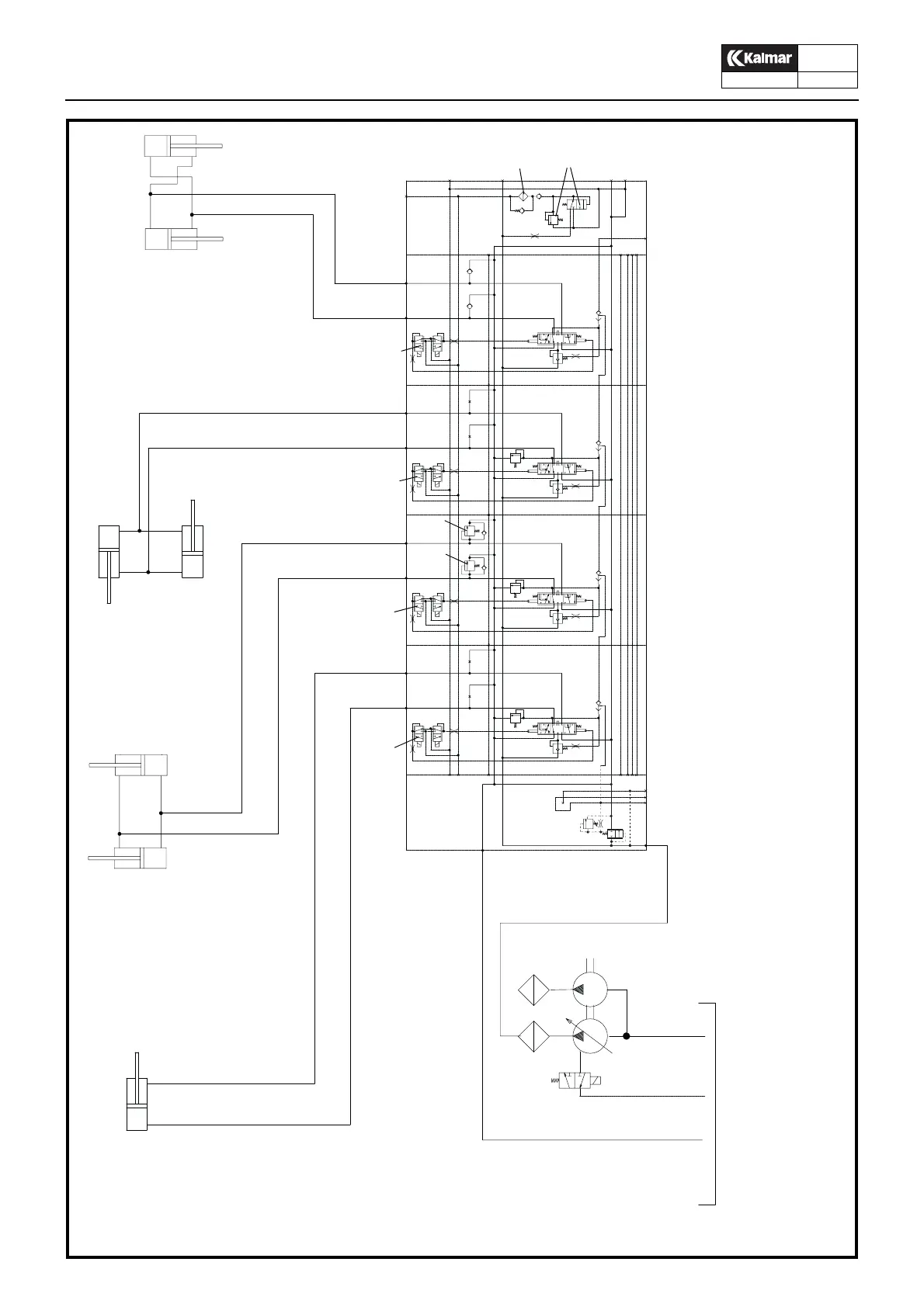
Hydraulic system A46141.0100
1. Direct controlled shock valve
2. Pressure compensator with inte-
gral check valve
3. Feed reducer
4. Control valve, sideshift
5. Control valve, twistlocks
6. Control valve, length adjustment
7. Control valve, levelling
8. Converter electric servo/hydraulic
servo
9. Combined shock- and anticavita-
tion valve
10. Anticaviation valve
11. Reducing valve with separate
safety valve for internal pilot pres-
sure suppy
12. Internal coarse filter for pilot circuit
13. Constant pressure pump
14. Relief valve
15. Filter
16. Hydraulic cylinder, sideshift
17. Hydraulic cylinder, twistlocks
18. Hydraulic cylinder, length adjust-
ment
19. Hydraulic cylinder, levelling

Table of Contents

Related product manuals